Запчасти Case IH F2CFE613F A011 (10.218.04) - FUEL LINES & RELATED PARTS (504363514) (10) - ENGINE

Схема запчастей Case IH F2CFE613F A011 - (10.218.04) - FUEL LINES & RELATED PARTS (504363514) (10) - ENGINE
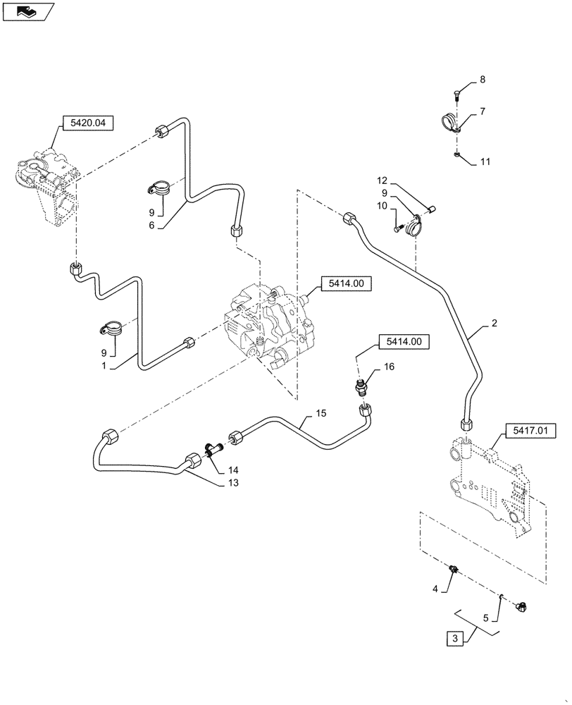
1
4
6
12
2
5420.04
13
16
11
3
home
8
5
10
14
15
5414.00
9
5414.00
5417.01
7
9
9
FIT
1:1
100%

Артикул

Название

Примечание

Количество

1

504349581

PIPE

1шт.

2

504360461

PIPE

1шт.

3

504319000

ELBOW

1шт.

4

504081274

HYD CONNECTOR

M16 x 1.5 - M18 x 1.5

1шт.

5

16507614

BUSHING

Diam = 12 mm

1шт.

6

504349585

PIPE

1шт.

7

500391414

STRAP

Diam = 11 mm

1шт.

8

8580153

SPACER

1шт.

9

86637978

CLAMP,9.5mm, Coat, 8.7mm Bolt Hole, P Type

3шт.

10

16586925

BOLT,M8 x 50mm

M8 x 50 mm

1шт.

11

16708734

ELEC CONNECTOR

M10 x 25 mm

1шт.

12

17816814

SPACER

Diam = 8 mm L = 39.5 mm

1шт.

13

5801372627

PIPE

1шт.

14

5801600094

PIPE COUPLING

1шт.

15

5801372628

PIPE

1шт.

16

41031567

BANJO BOLT

M14 x 1.5 - M16 x 1.5

1шт.

Выбрано товаров: 16