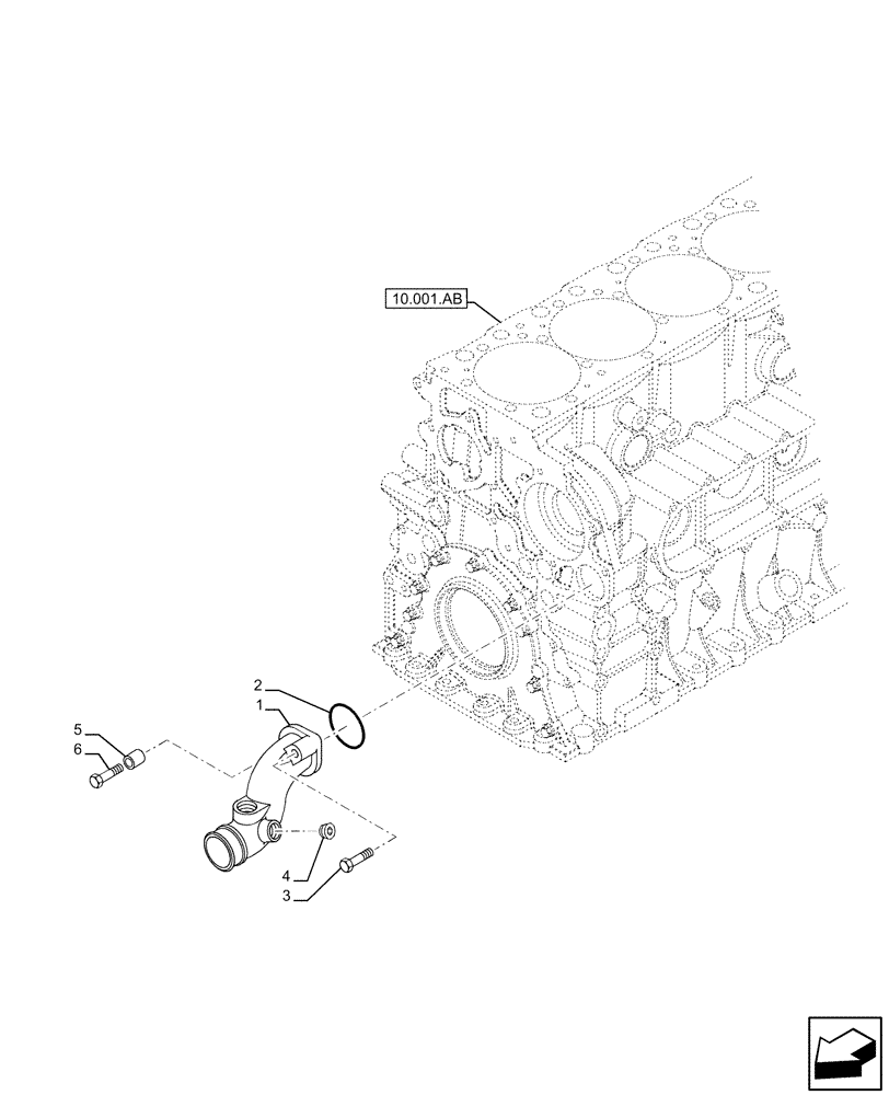
Запчасти Case IH F2CFE613F B041 (10.400.AQ) - RADIATOR TO WATER PUMP HOSES (10) - ENGINE

Схема запчастей Case IH F2CFE613F B041 - (10.400.AQ) - RADIATOR TO WATER PUMP HOSES (10) - ENGINE
10.001.ab
6
1
2
3
4
5
FIT
1:1
100%

Артикул

Название

Примечание

Количество

1

500359880

PIPE

1шт.

2

17290081

GASKET

1шт.

3

16586925

BOLT,M8 x 50mm

1шт.

4

41221517

PLUG

1шт.

5

504253853

SPACER

1шт.

6

16592525

BOLT,M8 x 1.25 x 70mm

1шт.

Выбрано товаров: 6