Запчасти Case IH F2CFE613G B002 (10.304.AM) - PRESSURE CONTROL VALVE (10) - ENGINE

Схема запчастей Case IH F2CFE613G B002 - (10.304.AM) - PRESSURE CONTROL VALVE (10) - ENGINE
4
10.001.ab
1
2
3
FIT
1:1
100%

Артикул

Название

Примечание

Количество

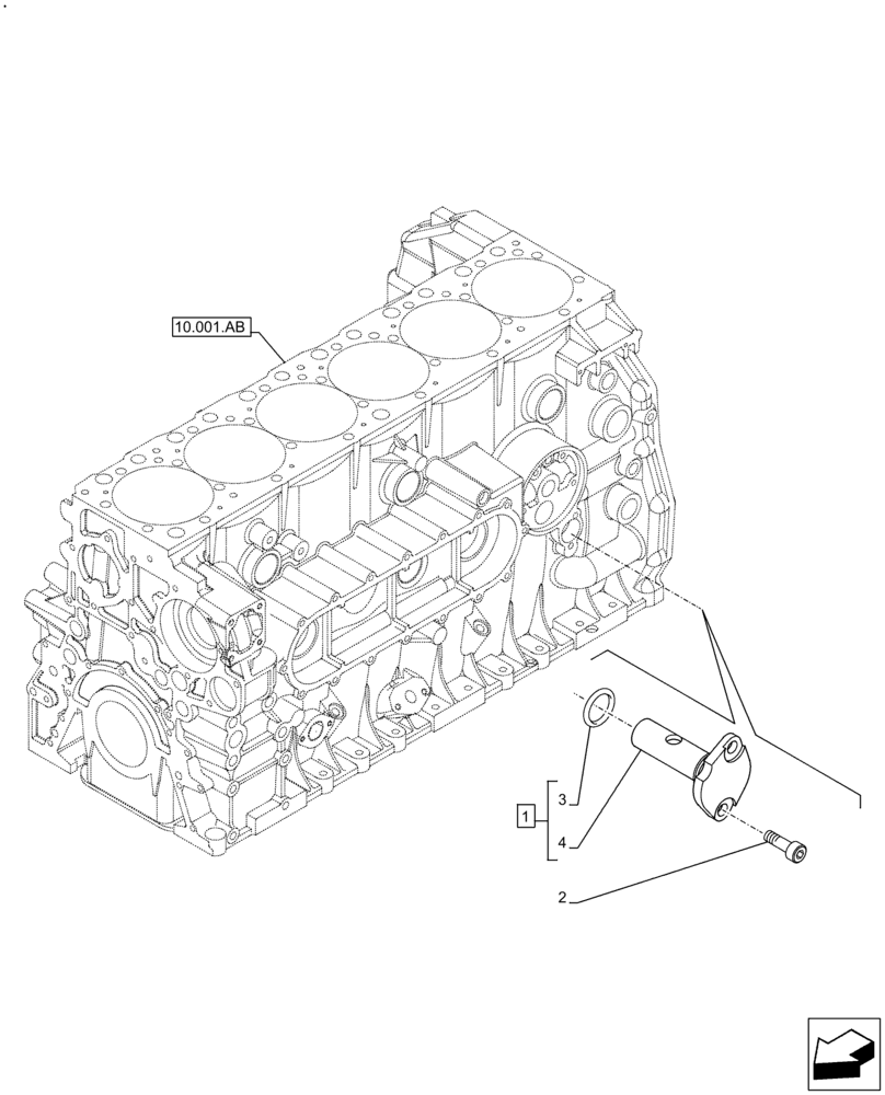
1

504191876

VALVE

ASSY; Incl 3; 4

1шт.

2

18053625

SCREW,M8 x 16mm

M8 x 16 mm

2шт.

3

14463281

O-RING,0.984" ID x 0.139" Width

D=24.9 mm; SP=3.5 mm

1шт.

4

NSS

NOT SOLD SEPARAT

Valve; Incl in 1

1шт.

Выбрано товаров: 4