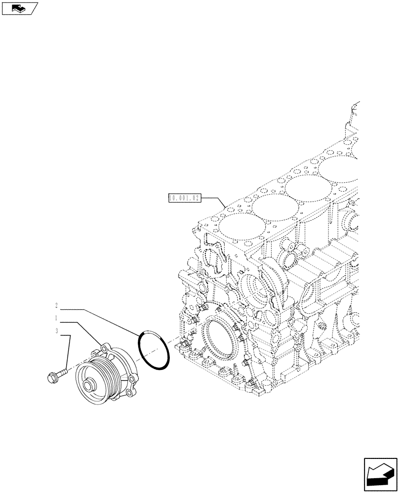
Запчасти Case IH F2CFE613J A011 (10.402.02) - WATER PUMP & RELATED PARTS (504361542)

Схема запчастей Case IH F2CFE613J A011 - (10.402.02) - WATER PUMP & RELATED PARTS (504361542)
home
3
1
2
10.001.02
FIT
1:1
100%

Артикул

Название

Примечание

Количество

1

504361543

WATER PUMP

ASSY

1шт.

2

17291781

GASKET

1шт.

3

16673735

BOLT,Hex, M8 x 1.25 x 25mm

M8 x 25

4шт.

Выбрано товаров: 3