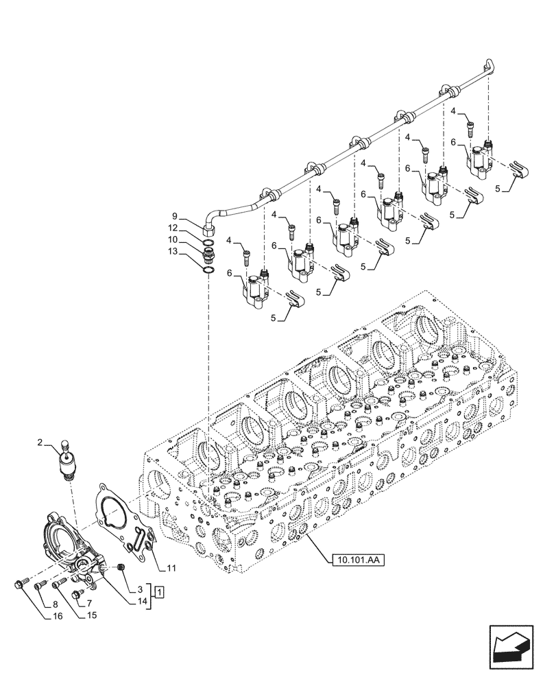
Запчасти Case IH F2CFE613J B047 (10.120.AA) - ENGINE EXHAUST BRAKE (504329098) (10) - ENGINE

Схема запчастей Case IH F2CFE613J B047 - (10.120.AA) - ENGINE EXHAUST BRAKE (504329098) (10) - ENGINE
10.101.aa
4
11
4
2
8
6
4
1
3
4
14
6
13
7
12
5
15
10
16
5
5
6
5
4
6
6
6
4
5
9
5
FIT
1:1
100%

Артикул

Название

Примечание

Количество

1

504358460

VALVE BODY

ASSY, Incl 3, 14

1шт.

2

504115069

SOLENOID VALVE

1шт.

3

504051237

PLUG

2шт.

4

16707334

BOLT,M8 x 30mm, Cl 10.9

12шт.

5

500376911

SPRING

6шт.

6

504222834

BRAKE

6шт.

7

16600225

FLANGE BOLT,Hex, M8 x 18mm, Cl 8.8

1шт.

8

16690525

SCREW,M8 x 1.25 x 17mm

3шт.

9

504331578

PIPE

1шт.

10

504081274

HYD CONNECTOR

1шт.

11

504312666

GASKET

1шт.

12

16507614

BUSHING

1шт.

13

16507411

RING

6шт.

14

NSS

NOT SOLD SEPARAT

Valve body, Incl in 1

1шт.

15

16690725

SCREW

1шт.

16

16586425

BOLT,M8 x 25mm

1шт.

Выбрано товаров: 16