Запчасти Case IH F2CFE613J B047 (10.304.AM) - PRESSURE CONTROL VALVE (10) - ENGINE

Схема запчастей Case IH F2CFE613J B047 - (10.304.AM) - PRESSURE CONTROL VALVE (10) - ENGINE
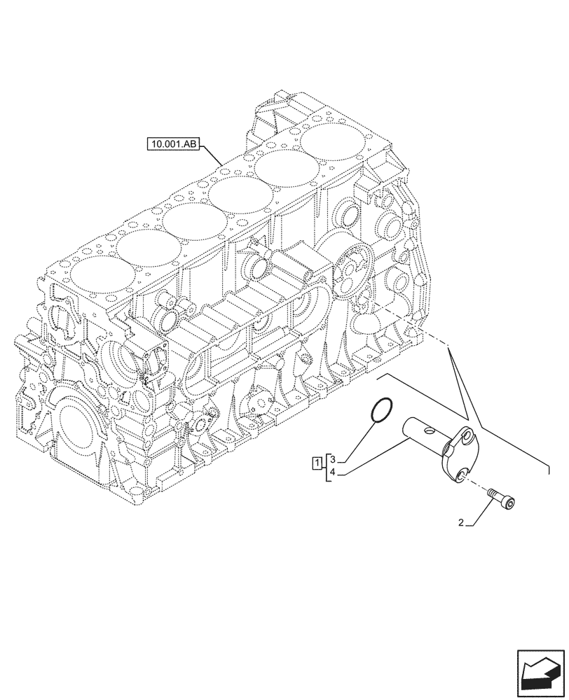
10.001.ab
2
1
4
3
FIT
1:1
100%

Артикул

Название

Примечание

Количество

1

504191876

VALVE

ASSY, Incl 3, 4

1шт.

2

18053625

SCREW,M8 x 16mm

2шт.

3

17288681

O-RING

M24.9 x 3.5mm

1шт.

4

NSS

NOT SOLD SEPARAT

Pressure Control Valve, Incl in 1

1шт.

Выбрано товаров: 4