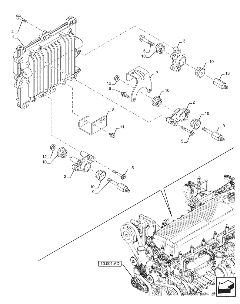
Запчасти Case IH F2CFE613J B047 (55.015.AA) - ENGINE, ELECTRONIC CONTROL UNIT (55) - ELECTRICAL SYSTEMS

Схема запчастей Case IH F2CFE613J B047 - (55.015.AA) - ENGINE, ELECTRONIC CONTROL UNIT (55) - ELECTRICAL SYSTEMS
10.001.ad
11
10
12
7
1
10
2
5
12
10
4
9
2
10
3
6
13
5
9
10
10
5
8
FIT
1:1
100%

Артикул

Название

Примечание

Количество

1

504388754

CONTROL UNIT

1шт.

1

504388754R

REMAN ELECT CONTROL

1шт.

1

504388754C

CORE-ELECTRONIC CONT

Return Number

1шт.

2

5801624736

SUPPORT

2шт.

2

5801556780

SUPPORT,SUPPORT ENGINE CONTROL U

2шт.

3

5801564789

SUPPORT

1шт.

3

504297839

BRACKET

1шт.

4

16586825

BOLT,Hex, M8 x 1.25 x 45mm

1шт.

5

17935001

SELF-TAP SCREW,Hex Flng, M5.5 x 1.8 x 45mm

4шт.

6

16597225

BOLT,M6 x 18mm

2шт.

6

16586021

SCREW,M6 x 30mm

2шт.

7

5801643600

RETAINER

1шт.

8

5801911007

SUPPORT

1шт.

9

5801384187

2шт.

10

5801406998

SHOCK ABSORBER

6шт.

11

17933601

SCREW

3шт.

12

17044735

NUT,Hex, M8

3шт.

13

5801384188

SPACER

1шт.

Выбрано товаров: 18