Запчасти Case IH F2CFE613L A005 (10.103.03) - CRANKCASE COVERS (504365312) (10) - ENGINE

Схема запчастей Case IH F2CFE613L A005 - (10.103.03) - CRANKCASE COVERS (504365312) (10) - ENGINE
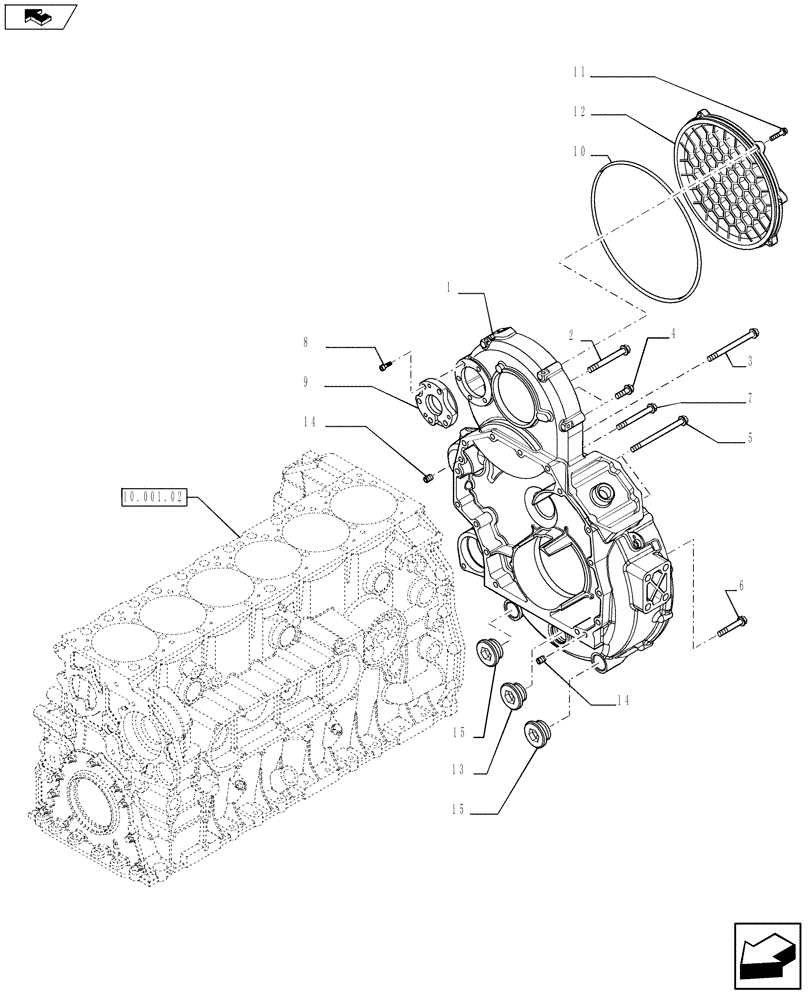
15
9
3
11
5
10
12
1
15
14
14
13
10.001.02
8
7
4
6
2
home
FIT
1:1
100%

Артикул

Название

Примечание

Количество

1

504124669

HOUSING

1шт.

2

16593625

BOLT,M12 x 1.75 x 120mm

M12 x 120

1шт.

3

16599424

SCREW,M10 x 180mm

M10 x 180

1шт.

4

99475978

SCREW

M12 x 1,75

2шт.

5

16587325

SCREW,Hex, M10 x 35mm

M10 x 35

3шт.

6

16593225

SCREW,Hex, M12 x 80mm, Cl 8.8

M12 x 80

7шт.

7

16598925

SCREW,Hex, M10 x 110mm, Cl 8.8

M10 x 110

1шт.

8

16707334

BOLT,M8 x 30mm, Cl 10.9

M8 x 30

5шт.

9

504233003

FLANGE

1шт.

10

17301181

O-RING

1шт.

11

16586525

BOLT,Hex, M8 x 30mm, Cl 8.8

M8 x 30

6шт.

12

504124620

COVER

1шт.

13

16992915

PLUG

1шт.

14

500314968

DOWEL

2шт.

15

17917240

PLUG

2шт.

Выбрано товаров: 15