Качественные детали и логистика
Оригинальные и аналоговые запчасти с доставкой по России, Казахстану и Беларуси
©2022 PartSell ООО "Система" ИНН 2463123282 ОГРН 1212400004838
Центральный офис: г. Красноярск, Академика Киренского, д.87, пом.4
Телефон: 8 (800) 777-65-74 Email: zakaz@partsell.ru
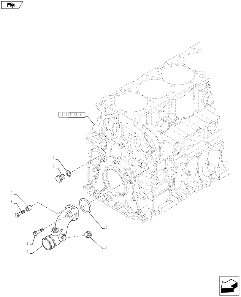
(10.400.AQ) - WATER PUMP LINE
№
Артикул
Название
Примечание
Количество
1
16586925
BOLT,M8 x 50mm
M8 x 50 mm
2шт.
2
14464681
O-RING,56.74mm ID x 2.512" OD x 3.53mm
D=56.74 mm; SP=3.53 mm
1шт.
3
500359880
PIPE
4
10305171
PLUG,M22 x 1.5 x 21
M22 x 1.5 mm
5
87332142
SEAL,23.5mm ID x 30mm OD x 1.5mm Thk
D=22 mm
6
99430692
PLUG
Return heater water - Delivery heating pipe; D=1/2
41221517
Water pipe; M30 x 1.5 mm
7
504253853
SPACER
8
16592525
BOLT,M8 x 1.25 x 70mm
M8 x 70 mm
Выбрано товаров: 0