Качественные детали и логистика
Оригинальные и аналоговые запчасти с доставкой по России, Казахстану и Беларуси
©2022 PartSell ООО "Система" ИНН 2463123282 ОГРН 1212400004838
Центральный офис: г. Красноярск, Академика Киренского, д.87, пом.4
Телефон: 8 (800) 777-65-74 Email: zakaz@partsell.ru
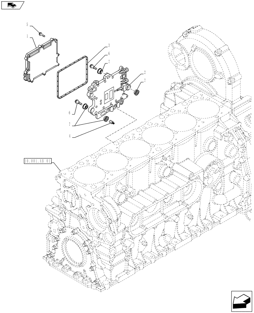
(55.015.AA) - ENGINE, ELECTRONIC CONTROL UNIT
№
Артикул
Название
Примечание
Количество
1
2854594
ECU
1шт.
2
504097239
SUPPORT
3
504070042
GASKET
4
99475194
SPACER
2шт.
5
2854083
BOLT,Flng, M6 x 1 x 30mm
M6 x 30 mm
8шт.
6
16586825
BOLT,Hex, M8 x 1.25 x 45mm
M8 x 45 mm
3шт.
7
98498817
ISOLATOR
6шт.
Выбрано товаров: 7