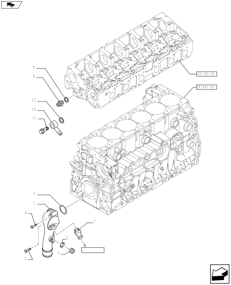
Запчасти Case IH F2CFE613N A010 (10.402.01[01]) - WATER PUMP PIPES (504382682 - 504322623 - 504387190 - 5801422773) (Nov 1 2011 11:16:00.5001 AM)

Схема запчастей Case IH F2CFE613N A010 - (10.402.01[01]) - WATER PUMP PIPES (504382682 - 504322623 - 504387190 - 5801422773) (Nov 1 2011 11:16:00.5001 AM)
10.101.01
3
4
8
11
9
12
7
10
home
5
1
2
6
10.001.02
FIT
1:1
100%

Артикул

Название

Примечание

Количество

1

504382476

MANIFOLD

1шт.

2

16586625

BOLT,M8 x 35mm

M8 x 35

1шт.

3

14464681

O-RING,56.74mm ID x 2.512" OD x 3.53mm

1шт.

4

16993011

PLUG

1шт.

5

99434480

SEAL

1шт.

6

16592225

BOLT,M8 x 55mm

M8 x 55

1шт.

7

504365410

FITTING

1шт.

8

5169544

SEAL,14.7mm ID x 22mm OD x 1.5mm Thk

1шт.

9

504321291

MANIFOLD

1шт.

10

5801422786

BREATHER

1шт.

11

504034362

BANJO BOLT

1шт.

12

98474305

SEALING WASHER

2шт.

Выбрано товаров: 12