Качественные детали и логистика
Оригинальные и аналоговые запчасти с доставкой по России, Казахстану и Беларуси
©2022 PartSell ООО "Система" ИНН 2463123282 ОГРН 1212400004838
Центральный офис: г. Красноярск, Академика Киренского, д.87, пом.4
Телефон: 8 (800) 777-65-74 Email: zakaz@partsell.ru
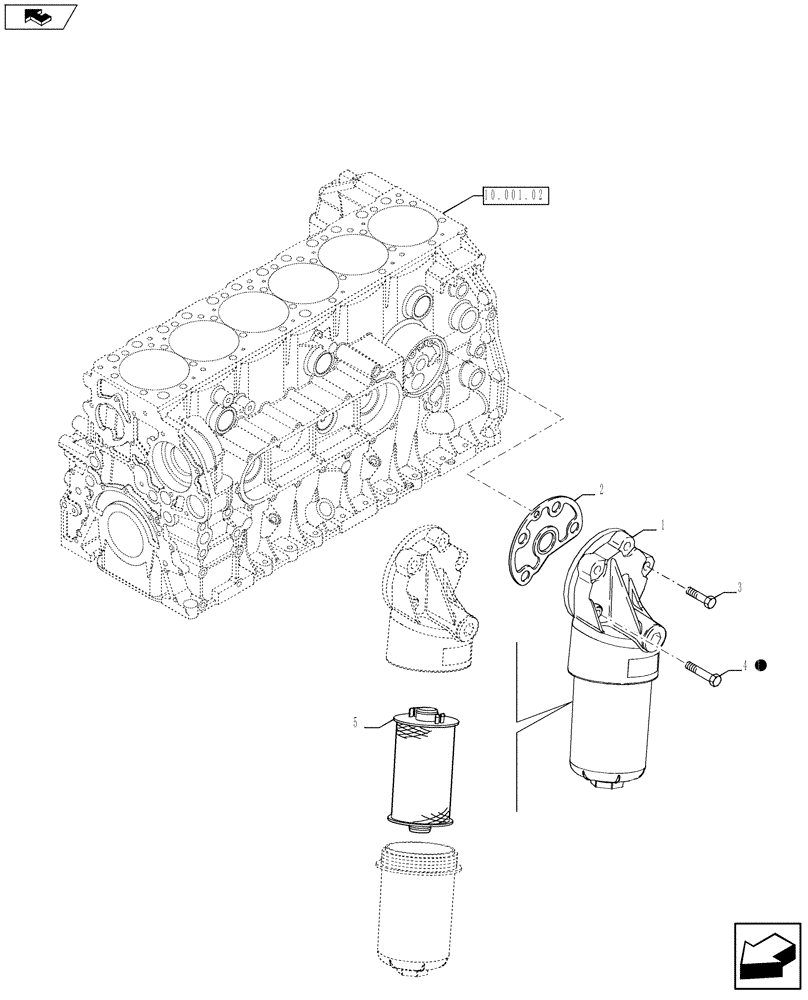
(10.206.02) - OIL FILTERS - ENGINE (504179761 - 504149483)
№
Артикул
Название
Примечание
Количество
1
504127254
FILTER ASSY
1шт.
2
504147366
GASKET
3
16592324
BOLT,Hex, M8 x 60mm
M6 x 60
4
2852267
FLANGE BOLT,Hex, M8 x 1.25 x 90mm
M6 x 90
5
504179764
ENGINE OIL FILTER
Выбрано товаров: 5