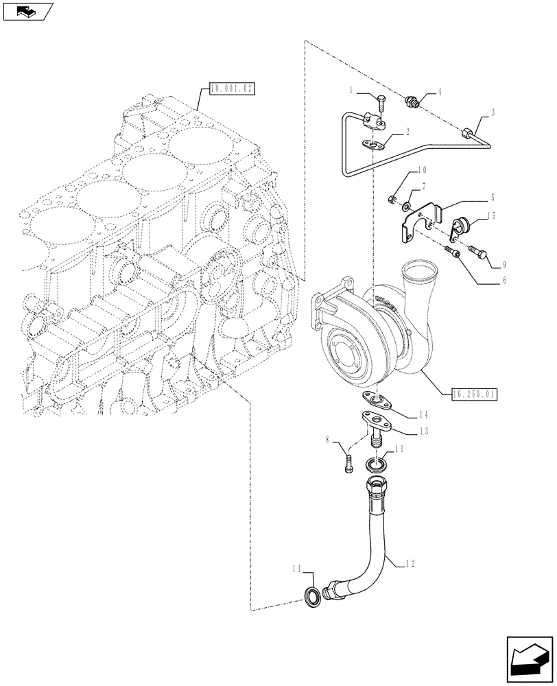
Запчасти Case IH F2CFE613R A021 (10.250.02[01]) - TURBOBLOWER PIPES (504212386 - 504212384) (10) - ENGINE

Схема запчастей Case IH F2CFE613R A021 - (10.250.02[01]) - TURBOBLOWER PIPES (504212386 - 504212384) (10) - ENGINE
2
10.001.02
4
11
11
12
home
1
14
15
7
6
10.250.01
8
5
9
10
13
3
FIT
1:1
100%

Артикул

Название

Примечание

Количество

1

16586625

BOLT,M8 x 35mm

M8 X 35

2шт.

2

5801417018

GASKET

1шт.

3

504188873

HYD TUBE

1шт.

4

504081274

HYD CONNECTOR

1шт.

5

504213767

RETAINER

1шт.

6

16691425

SCREW

M8 X 65

2шт.

7

16666716

WASHER

1шт.

8

16586425

BOLT,M8 x 25mm

2шт.

9

16586325

BOLT,Hex, M8 x 20mm, Cl 8.8

M8 X 20

1шт.

10

43362

NUT,M8 x 1.25, Cl 10

1шт.

11

99434480

SEAL

1шт.

12

504210618

HOSE

1шт.

13

500333923

FLANGE

1шт.

14

98412509

GASKET,0.8mm Thk

1шт.

15

17316790

CLAMP

1шт.

Выбрано товаров: 15