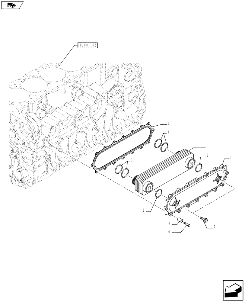
Запчасти Case IH F2CFE613S A020 (10.408.01) - HEAT EXCHANGER - ENGINE (504130575) (10) - ENGINE

Схема запчастей Case IH F2CFE613S A020 - (10.408.01) - HEAT EXCHANGER - ENGINE (504130575) (10) - ENGINE
1
10.001.02
home
3
6
7
2
2
5
8
3
4
FIT
1:1
100%

Артикул

Название

Примечание

Количество

1

504127469

OIL COOLER

1шт.

2

17283481

O-RING

2шт.

3

17289781

O-RING

4шт.

4

504127468

COVER

1шт.

5

504128027

GASKET

1шт.

6

16674434

SCREW

M8 x 50

16шт.

7

2856035

SCREW,Flng, M12 x 30mm, Cl 8.8

M12 x 30

2шт.

8

17816414

SPACER

16шт.

Выбрано товаров: 8