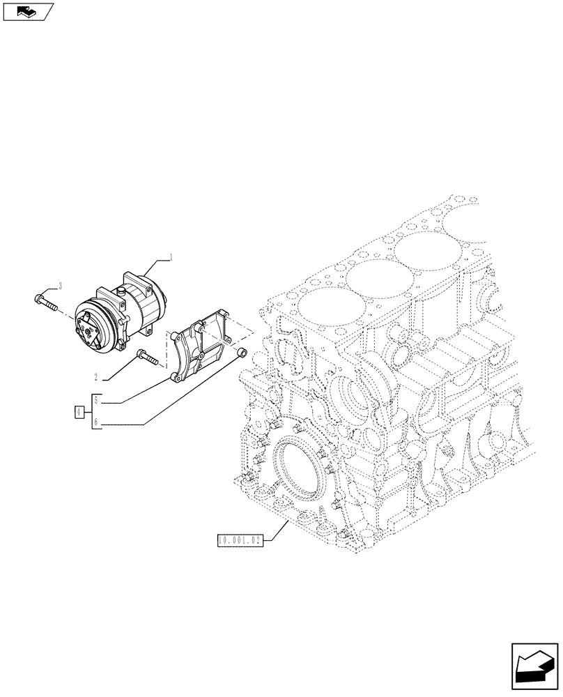
Запчасти Case IH F2CFE613S A020 (50.200.01) - COMPRESSOR, AIRCOND. (504367657) (50) - CAB CLIMATE CONTROL

Схема запчастей Case IH F2CFE613S A020 - (50.200.01) - COMPRESSOR, AIRCOND. (504367657) (50) - CAB CLIMATE CONTROL
5
2
home
1
6
10.001.02
4
3
FIT
1:1
100%

Артикул

Название

Примечание

Количество

1

86993463

AIRCOND. COMPRESSOR

1шт.

1

86993463GV

AIRCOND. COMPRESSOR

Value

1шт.

1

86993463R

REMAN-A/C COMPRESSOR

1шт.

1

86993463C

CORE-A/C COMPRESSOR

Return Number

1шт.

2

2852172

BOLT,Flng, M10 x 1.5 x 70mm

2шт.

3

16598225

BOLT,Flng, M8 x 90mm

4шт.

4

504354695

BRACKET

ASSY

1шт.

5

504354470

SUPPORT

1шт.

6

504277279

PIN

2шт.

Выбрано товаров: 9