Запчасти Case IH F2CFE613T A019 (10.206.02) - OIL FILTERS - ENGINE (504221058) (10) - ENGINE

Схема запчастей Case IH F2CFE613T A019 - (10.206.02) - OIL FILTERS - ENGINE (504221058) (10) - ENGINE
1a
9
4
8
4
1
5
1
2
1
3
7
1
1
1
1
6
home
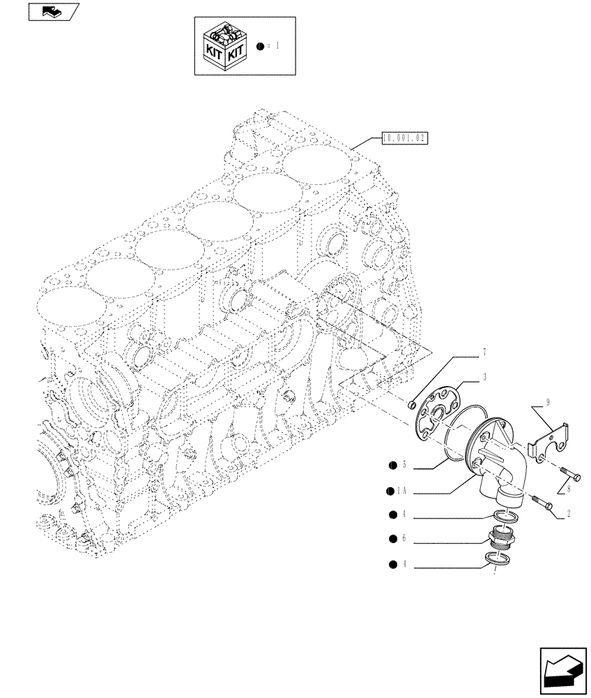
10.001.02
FIT
1:1
100%

Артикул

Название

Примечание

Количество

1

504190449

BRACKET

Assy, Contains Ref. 1A, 4 - 6

1шт.

1a

NSS

NOT SOLD SEPARAT

1шт.

2

16673835

BOLT,Hex, M8 x 30mm

2шт.

3

504147366

GASKET

1шт.

4

99434480

SEAL

2шт.

5

17291881

GASKET

1шт.

6

504037176

FITTING

1шт.

7

17816414

SPACER

2шт.

8

16592224

SCREW,M8 x 55mm

2шт.

9

504213767

RETAINER

1шт.

Выбрано товаров: 10