Качественные детали и логистика
Оригинальные и аналоговые запчасти с доставкой по России, Казахстану и Беларуси
©2022 PartSell ООО "Система" ИНН 2463123282 ОГРН 1212400004838
Центральный офис: г. Красноярск, Академика Киренского, д.87, пом.4
Телефон: 8 (800) 777-65-74 Email: zakaz@partsell.ru
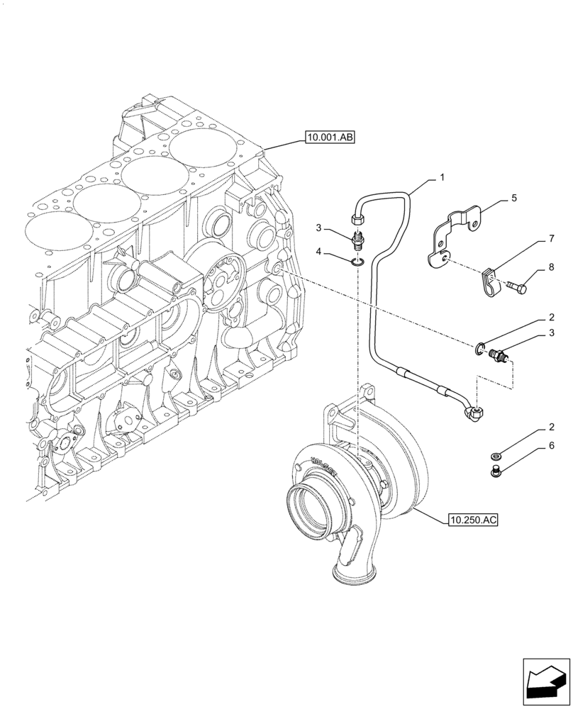
(10.250.AD) - TURBOCHARGER LUBE LINE
№
Артикул
Название
Примечание
Количество
1
5801372585
SUCTION PIPE
1шт.
2
99489019
SEALING WASHER
D=16 x 24 mm Sp=1,5
2шт.
3
504081274
HYD CONNECTOR
M16 x 1,5 - M18 x 1,5 mm
4
2852802
D=16 x 20 mm
5
504384976
FITTING
6
10300714
PLUG,M16 x 1.5 x 14
M16 x 1,5 mm
7
10441390
COLLAR,12mm, Coat, 7mm Bolt Hole, P Type
8
16585625
SCREW,Hex, M6 x 12mm
M8 x 14 mm
Выбрано товаров: 0