Качественные детали и логистика
Оригинальные и аналоговые запчасти с доставкой по России, Казахстану и Беларуси
©2022 PartSell ООО "Система" ИНН 2463123282 ОГРН 1212400004838
Центральный офис: г. Красноярск, Академика Киренского, д.87, пом.4
Телефон: 8 (800) 777-65-74 Email: zakaz@partsell.ru
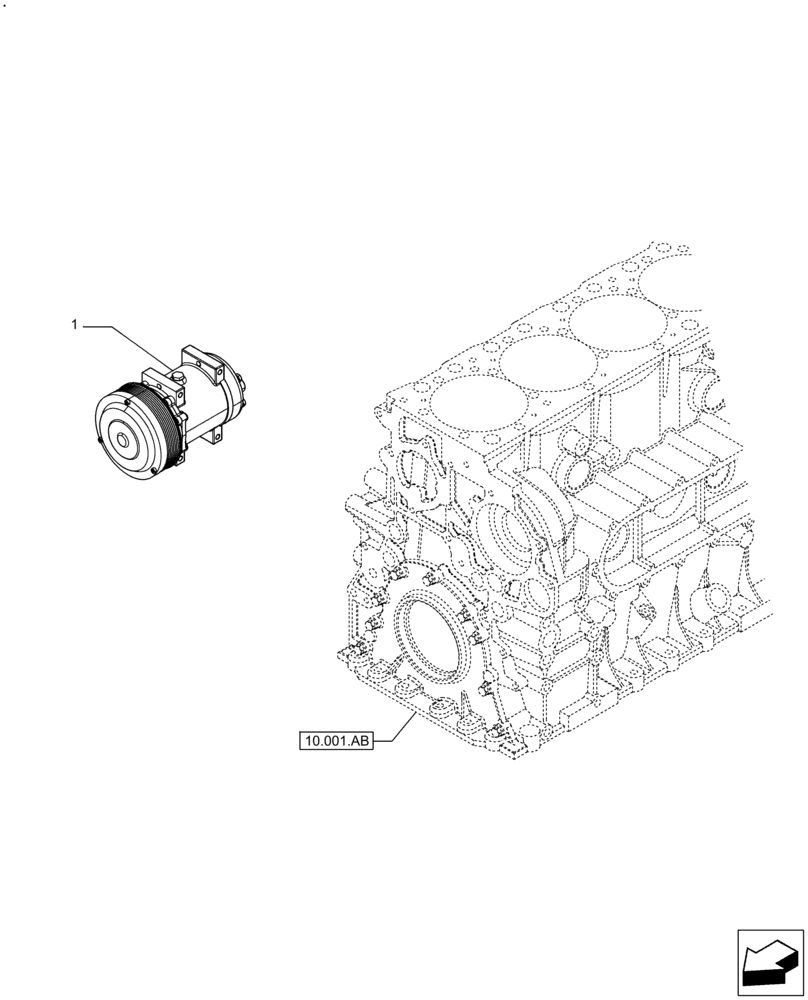
(50.200.AA) - COMPRESSOR, AIR CONDITIONING
№
Артикул
Название
Примечание
Количество
1
504290050
AIRCOND. COMPRESSOR
1шт.
86993463R
REMAN-A/C COMPRESSOR
Reman for New PN 504290050
86993463C
CORE-A/C COMPRESSOR
Return Number
Выбрано товаров: 0