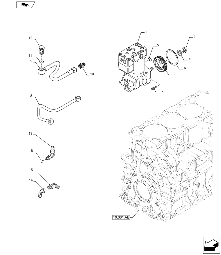
Запчасти Case IH F2CFE614A B001 (10.450.AA[01]) - AIR COMPRESSOR (10) - ENGINE

Схема запчастей Case IH F2CFE614A B001 - (10.450.AA[01]) - AIR COMPRESSOR (10) - ENGINE
12
14
4
11
10.001.ab
13
1
home
10
8
6
3
9
2
16
7
5
15
FIT
1:1
100%

Артикул

Название

Примечание

Количество

1

504308489

AIR COMPRESSOR

1шт.

2

87520321

GEAR

2шт.

3

504016500

NUT

1шт.

4

10520304

WASHER,18.8mm ID x 32mm OD x 4mm Thk

D=19 x 34 mm

1шт.

5

14456881

O-RING,0.362" ID x 0.103" Width

D=9,19 mm

1шт.

6

14466981

O-RING,0.139" Thk x 5.109" ID, -251, Cl 7, 75 Duro

D=126,59 mm Sp=3,53

1шт.

7

16693924

BOLT

M=12 x 35 mm

3шт.

8

504321291

MANIFOLD

1шт.

9

504290181

TUBE

1шт.

10

41031583

UNION

M16 x 1,5 - M22 x 1,5

1шт.

11

98474311

SEALING WASHER

D=18 x 26 mm

2шт.

12

504081280

HOLLOW SCREW

M18 x 1,5

1шт.

13

504319003

ELBOW UNION

1шт.

14

99456380

M26 x 1,5 - M36 x 2

COUPLING

1шт.

15

504345042

DUCT

1шт.

16

17289181

O-RING

D=32,92 mm Sp=3,53

1шт.

Выбрано товаров: 16