Запчасти Case IH F2CFE614A B001 (10.450.AA[02]) - AIR COMPRESSOR, COVER (10) - ENGINE

Схема запчастей Case IH F2CFE614A B001 - (10.450.AA[02]) - AIR COMPRESSOR, COVER (10) - ENGINE
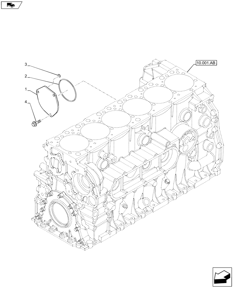
1
4
3
2
10.001.ab
home
FIT
1:1
100%

Артикул

Название

Примечание

Количество

1

504150292

COVER

1шт.

2

14466981

O-RING,0.139" Thk x 5.109" ID, -251, Cl 7, 75 Duro

D=126.59 mm; SP=3.53 mm

1шт.

3

14456881

O-RING,0.362" ID x 0.103" Width

D=9.19 mm

1шт.

4

16677735

SCREW,M12 x 25mm

M12 x 25 mm

3шт.

Выбрано товаров: 0