Запчасти Case IH F2CFE614A B001 (55.015.AA) - ENGINE, ELECTRONIC CONTROL UNIT (55) - ELECTRICAL SYSTEMS

Схема запчастей Case IH F2CFE614A B001 - (55.015.AA) - ENGINE, ELECTRONIC CONTROL UNIT (55) - ELECTRICAL SYSTEMS
10
6
5
10
9
2
home
3
10
2
8
4
1
5
FIT
1:1
100%

Артикул

Название

Примечание

Количество

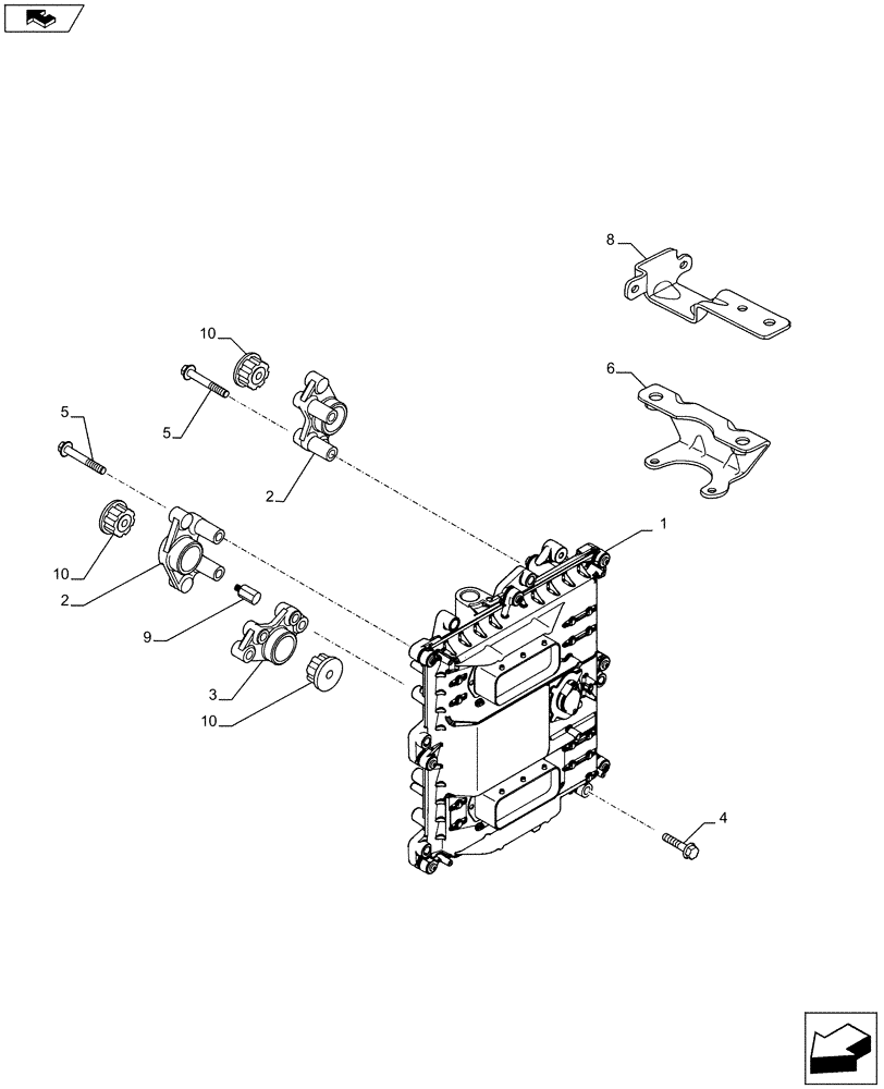
1

504388754

CONTROL UNIT

1шт.

1

504388754R

REMAN ELECT CONTROL

1шт.

1

504388754C

CORE-ELECTRONIC CONT

Return Number

1шт.

2

5801624736

SUPPORT

2шт.

3

5801564789

SUPPORT

1шт.

4

2854083

BOLT,Flng, M6 x 1 x 30mm

M6 x 30 mm

2шт.

5

17935001

SELF-TAP SCREW,Hex Flng, M5.5 x 1.8 x 45mm

4шт.

6

5801623098

RETAINER

1шт.

7

2853118

BOLT,Hex, M6 x 1 x 18mm

M6 x 18 mm

3шт.

7

16586825

BOLT,Hex, M8 x 1.25 x 45mm

M6 x 1,25 x 45 mm

3шт.

8

5801650427

RETAINER

1шт.

9

5801384188

SPACER

2шт.

10

5801406998

SHOCK ABSORBER

6шт.

Выбрано товаров: 13