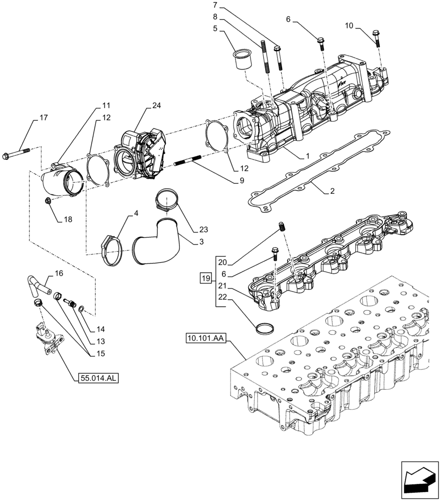
Запчасти Case IH F2CFE614A B003 (10.254.AM[01]) - INLET MANIFOLD (10) - ENGINE

Схема запчастей Case IH F2CFE614A B003 - (10.254.AM[01]) - INLET MANIFOLD (10) - ENGINE
55.014.al
6
17
9
16
20
1
10
14
23
21
10.101.aa
13
18
5
12
4
3
22
8
24
2
19
11
15
7
6
12
FIT
1:1
100%

Артикул

Название

Примечание

Количество

1

5801546385

TRANSMITTER

1шт.

2

504380898

MANIFOLD GASKET

1шт.

3

5801541036

HOSE

1шт.

4

16945094

CLAMP

1шт.

5

504381914

JUNCTION

1шт.

6

16673835

BOLT,Hex, M8 x 30mm

M8 x 30 mm

9шт.

7

16598425

BOLT,M8 x 1.5 x 110mm

M8 x 110 mm

5шт.

8

13518021

STUD,M8 x 70mm L

2шт.

9

16728524

STUD

M6 x 1

2шт.

10

16586925

BOLT,M8 x 50mm

M8 x 50 mm

2шт.

11

504389181

INTAKE AIR HOSE

1шт.

12

504387920

GASKET

2шт.

13

5801376672

UNION

1шт.

14

17749985

GASKET

D=10 x 16 mm

1шт.

15

18225770

COLLAR CLAMP

2шт.

16

5801404363

TUBE

1шт.

17

16597524

BOLT,Hex, M6 x 65mm, Cl 8.8

M6 x 65 mm

2шт.

18

2852197

FLANGE NUT,M6 x 1

M6

2шт.

19

5801363172

VALVE COVER

ASSY, Incl 6, 20-22

1шт.

20

504273002

PLUG,M12 x 1.5

M12 x 1,5 mm

4шт.

21

NSS

NOT SOLD SEPARAT

Spacing bar; Incl in 19

1шт.

22

5801363175

GASKET

4шт.

23

16944794

CLAMP

1шт.

24

504385542

VALVE,THROTTLE

1шт.

Выбрано товаров: 24