Запчасти Case IH F2CFE614A B003 (55.301.AB) - ALTERNATOR (55) - ELECTRICAL SYSTEMS

Схема запчастей Case IH F2CFE614A B003 - (55.301.AB) - ALTERNATOR (55) - ELECTRICAL SYSTEMS
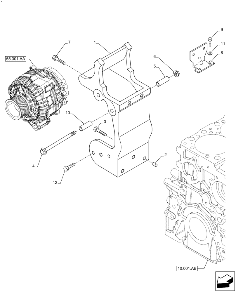
10.001.ab
8
1
55.301.aa
7
5
3
6
11
2
10
12
4
9
FIT
1:1
100%

Артикул

Название

Примечание

Количество

1

5801627867

BRACKET, SUPPORTING

1шт.

2

98405462

DOWEL

D=10,2 mm

2шт.

3

16587525

BOLT,M10 x 45mm

M10 x 45 mm

2шт.

4

16599225

SCREW,M10 x 140mm

M10 x 140 mm

1шт.

5

5801627869

SPACER

1шт.

6

17044825

NUT,Hex, M10 x 1.25

M10

2шт.

7

16673835

BOLT,Hex, M8 x 30mm

M8 x 30 mm

2шт.

8

5801652927

STIFFENER

1шт.

9

18139424

SCREW,Hex, M10 x 20mm

M10 x 20 mm

2шт.

9

16692024

BOLT,Flng, M10 x 20mm

M10 x 20 mm

2шт.

10

99484032

BUSHING

1шт.

11

17095001

WASHER

M10 x 18 mm

2шт.

12

16587125

SCREW,M10

M10 x 25 mm

1шт.

Выбрано товаров: 0