Запчасти Case IH F2CFE614B B006 (10.400.BB) - WATER PUMP (10) - ENGINE

Схема запчастей Case IH F2CFE614B B006 - (10.400.BB) - WATER PUMP (10) - ENGINE
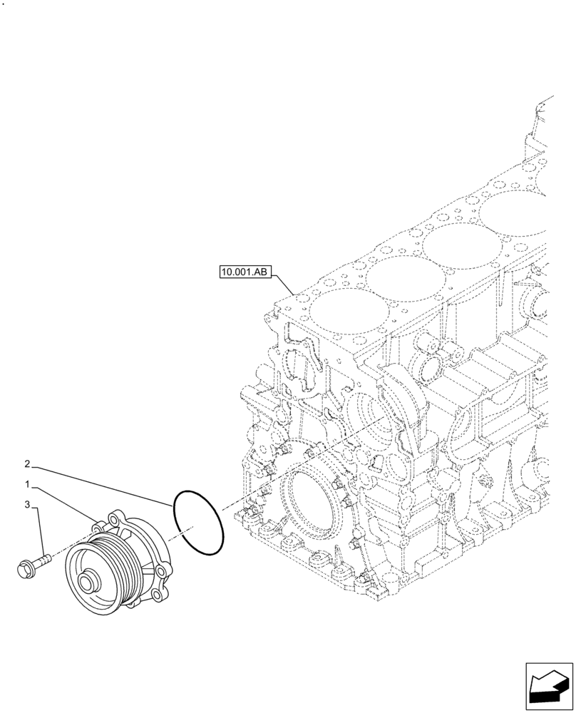
1
10.001.ab
3
2
FIT
1:1
100%

Артикул

Название

Примечание

Количество

1

504361543

WATER PUMP

1шт.

1

504361543R

REMAN-WATER PUMP

1шт.

1

504361543C

CORE-WATER PUMP

Return Number

1шт.

2

17291781

GASKET

1шт.

3

16673735

BOLT,Hex, M8 x 1.25 x 25mm

M8 x 1.25 x 25 mm

4шт.

Выбрано товаров: 5