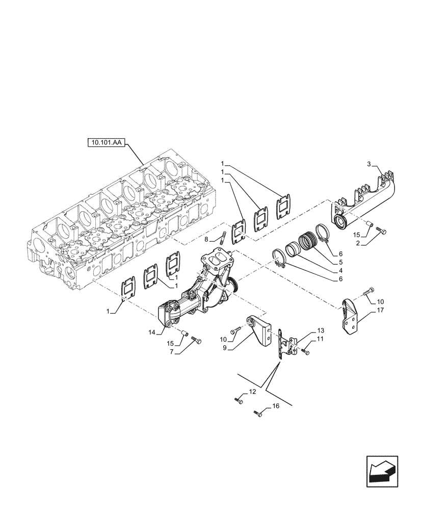
Запчасти Case IH F2CFE614C B002 (10.254.AC) - EXHAUST MANIFOLD (10) - ENGINE

Схема запчастей Case IH F2CFE614C B002 - (10.254.AC) - EXHAUST MANIFOLD (10) - ENGINE
10.101.aa
6
14
17
16
1
4
1
3
1
2
5
15
8
7
1
1
13
11
10
10
12
15
6
1
9
FIT
1:1
100%

Артикул

Название

Примечание

Количество

1

504154202

GASKET

6шт.

2

504078465

FLANGE BOLT,M10 x 1.5 x 70mm

12шт.

3

5801540895

1шт.

4

99440117

BELLOWS

1шт.

5

99440118

RING

1шт.

6

500305815

CLAMP

2шт.

7

5801589510

BOLT

12шт.

8

5801491235

STUD

2шт.

9

5801608229

RETAINER

1шт.

10

5801642116

BOLT

2шт.

11

16596925

BOLT,M6 x 12mm

2шт.

11

16585725

SCREW,Hex, M6 x 16mm, Cl 8.8

2шт.

12

16586325

BOLT,Hex, M8 x 20mm, Cl 8.8

5шт.

13

5801968070

HEAT SHIELD

1шт.

14

5801540832

EXHAUST MANIFOLD

1шт.

15

5801484382

SPACER

22шт.

16

16597925

BOLT,Hex, M8 x 14mm

1шт.

16

16597425

BOLT,Hex, M10 x 16mm, Cl 8.8

1шт.

17

5801608231

RETAINER

1шт.

Выбрано товаров: 19