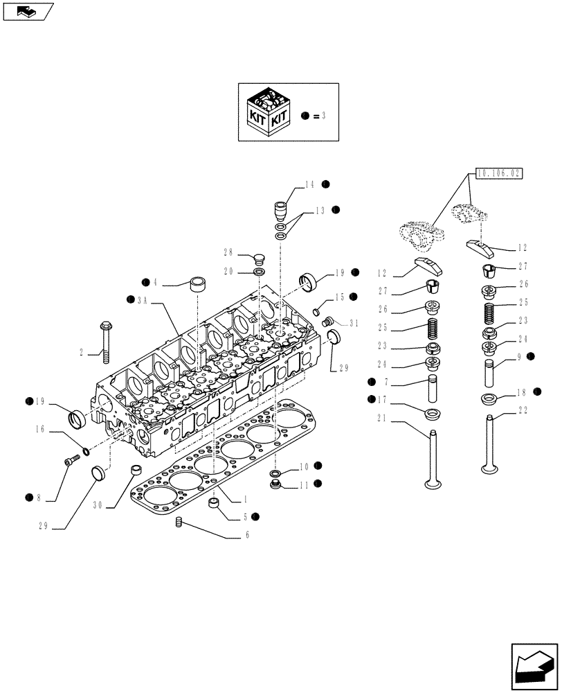
Запчасти Case IH F2CFE614D A004 (10.101.01) - CYLINDER HEAD & RELATED PARTS (5801382527 - 504029659 - 5801379857) (10) - ENGINE

Схема запчастей Case IH F2CFE614D A004 - (10.101.01) - CYLINDER HEAD & RELATED PARTS (5801382527 - 504029659 - 5801379857) (10) - ENGINE
8
3
3
14
3
23
1
16
2
19
26
3
31
3
13
27
3
10
25
15
3
3
18
27
3
3
28
3
3
22
3
29
3
24
29
5
home
3
17
9
10.106.02
7
4
23
12
24
20
12
19
30
3a
26
6
21
11
3
3
25
FIT
1:1
100%

Артикул

Название

Примечание

Количество

1

504385500

CYLINDER HEAD GASKET

1шт.

2

500354580

BOLT

26шт.

3

5801382527

CYLINDER HEAD

ASSY Contains Ref.4, 5,7 - 11, 13 - 15, 17 - 19.

1шт.

3

47497240R

REMAN-CYLINDER HEAD

With Exhaust Brake. Complete with Valves

1шт.

3

47497240C

CORE-CYLINDER HEAD

Return Number

1шт.

3

47915694R

REMAN-CYLINDER HEAD

Without Exhaust Brake. Complete with Valves

1шт.

3

47915694C

CORE-CYLINDER HEAD

Return Number

1шт.

3a

NSS

NOT SOLD SEPARAT

1шт.

4

504344694

PLUG,M25, Tapered

D = 25 mm

24шт.

5

16991370

PLUG

D = 45 mm

2шт.

5

16991170

PLUG

D = 20 mm

6шт.

6

500314967

DOWEL

D = 10 mm

2шт.

7

504361843

VALVE GUIDE

12шт.

7

504361844

VALVE GUIDE

+ 0.2

12шт.

7

504361845

VALVE GUIDE

+ 0.4

12шт.

8

4864083

BANJO BOLT,M14 x 1.5 x 30mm

1шт.

9

504361838

VALVE GUIDE

12шт.

9

504361839

VALVE GUIDE

+ 0.2

12шт.

9

504361840

VALVE GUIDE

+ 0.4

12шт.

10

2855325

SEAL

12 x 20 x 1,5

1шт.

11

16992215

PLUG

M12 x 1.5

1шт.

12

504131444

BRIDGE

12шт.

13

14453881

O-RING,23.52mm ID x 1.78" Width

M23.5 x 1.7

12шт.

14

504127833

NOZZLE HOLDER

6шт.

15

504138062

PLUG

1шт.

16

98474308

SEALING WASHER,16mm ID x 22mm OD x 1.5mm Thk

1шт.

17

504361850

VALVE SEAT

INTAKE - STD

12шт.

17

504361851

VALVE SEAT

INTAKE +0,20

12шт.

18

504362737

VALVE SEAT

EXHAUST - STD

12шт.

18

504362736

VALVE SEAT

EXHAUST +0,20

12шт.

19

504125778

BUSHING

7шт.

20

87665413

SEALING WASHER,7.9mm ID x 17.0mm OD x 1.5mm Thk

10 x 20 x 1,5

1шт.

21

500354685

STD INLET VALVE

STD ENGINE INLET VALVE

12шт.

22

504368419

STD EXHAUST VALVE

STD ENGINE EXHAUST VALVE

12шт.

23

504129182

SPRING SEAT

24шт.

24

504366703

OIL SEAL

24шт.

25

504125776

VALVE SPRING

24шт.

26

504127797

SPRING CUP

24шт.

27

98499819

ROCKER ARM COTTER

48шт.

28

16992115

PLUG,Threaded, M10 x 1

M10 x 1

1шт.

29

16990870

PLUG

D = 28 mm

4шт.

30

14282170

PLUG,M20, Tapered, Stainless

6шт.

31

504051237

PLUG

2шт.

Выбрано товаров: 43