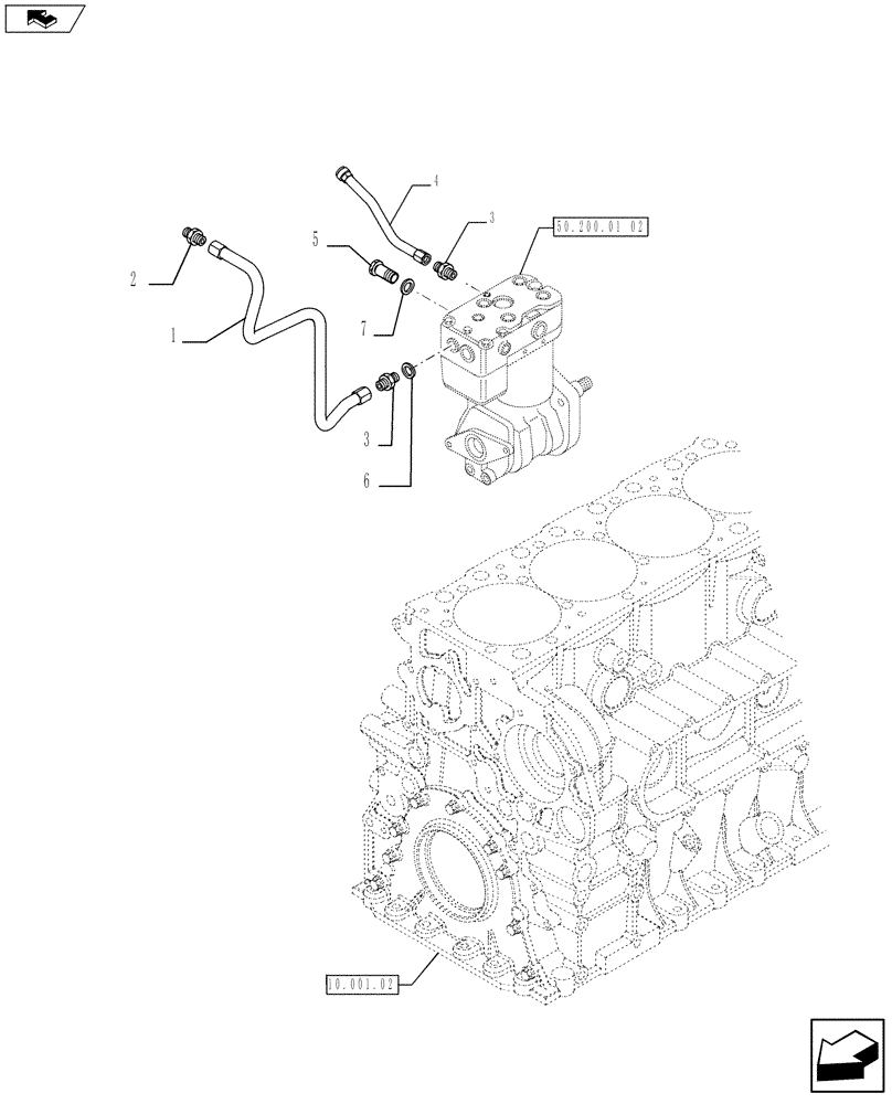
Запчасти Case IH F2CFE614E A004 (10.400.01[02]) - PIPING - ENGINE COOLING SYSTEM (504082349 - 504164361) (10) - ENGINE

Схема запчастей Case IH F2CFE614E A004 - (10.400.01[02]) - PIPING - ENGINE COOLING SYSTEM (504082349 - 504164361) (10) - ENGINE
6
3
7
5
4
2
50.200.01 02
3
home
1
10.001.02
FIT
1:1
100%

Артикул

Название

Примечание

Количество

1

87520363

TUBE

1шт.

2

504081277

FITTING

1шт.

3

504081274

HYD CONNECTOR

2шт.

4

87520362

FLEXIBLE HOSE

1шт.

5

504081280

HOLLOW SCREW

1шт.

6

99489019

SEALING WASHER

1шт.

7

98474311

SEALING WASHER

1шт.

Выбрано товаров: 7