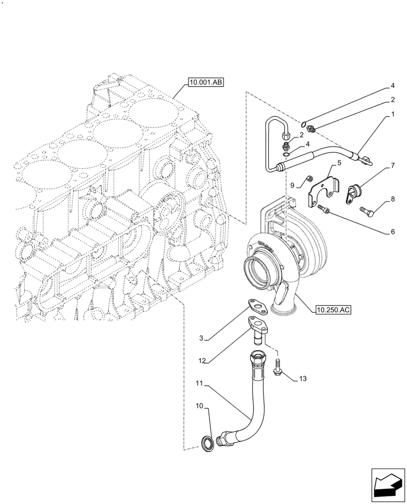
Запчасти Case IH F2CFE614E B006 (10.250.AD) - TURBOCHARGER OIL SUPPLY LINE (10) - ENGINE

Схема запчастей Case IH F2CFE614E B006 - (10.250.AD) - TURBOCHARGER OIL SUPPLY LINE (10) - ENGINE
13
8
3
1
4
12
10.001.ab
2
4
7
6
10.250.ac
11
5
2
10
9
FIT
1:1
100%

Артикул

Название

Примечание

Количество

1

504385052

RIGID TUBE

1шт.

2

504081274

HYD CONNECTOR

2шт.

3

98412509

GASKET,0.8mm Thk

1шт.

4

16508260

GASKET,16mm ID x 22mm OD x 1.5mm

2шт.

5

504213767

RETAINER

1шт.

6

16691424

BOLT

2шт.

7

17316592

COLLAR

1шт.

8

16586221

SCREW,Hex, M8 x 16mm, Cl 8.8

1шт.

9

17078700

NUT

1шт.

10

99434480

SEAL

1шт.

11

504385048

RIGID TUBE

1шт.

12

5801372142

FITTING

1шт.

13

16673635

BOLT,Hex, M8 x 1.25 x 20mm, Full Thd

2шт.

Выбрано товаров: 13