Запчасти Case IH F2CFE614E B006 (10.400.AE[02]) - ENGINE, COOLING SYSTEM LINE (10) - ENGINE

Схема запчастей Case IH F2CFE614E B006 - (10.400.AE[02]) - ENGINE, COOLING SYSTEM LINE (10) - ENGINE
10.101.aa
2
3
1
FIT
1:1
100%

Артикул

Название

Примечание

Количество

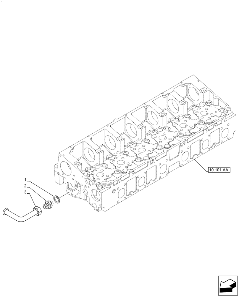
1

99489016

GASKET

D=10 x 17 mm; SP=1.5 mm

1шт.

2

504196249

FITTING

1шт.

3

500331700

TUBE

1шт.

Выбрано товаров: 3