Запчасти Case IH F2CFE614E B006 (10.450.AE) - COMPRESSED AIR LINES (10) - ENGINE

Схема запчастей Case IH F2CFE614E B006 - (10.450.AE) - COMPRESSED AIR LINES (10) - ENGINE
1
10.450.aa
3
2
FIT
1:1
100%

Артикул

Название

Примечание

Количество

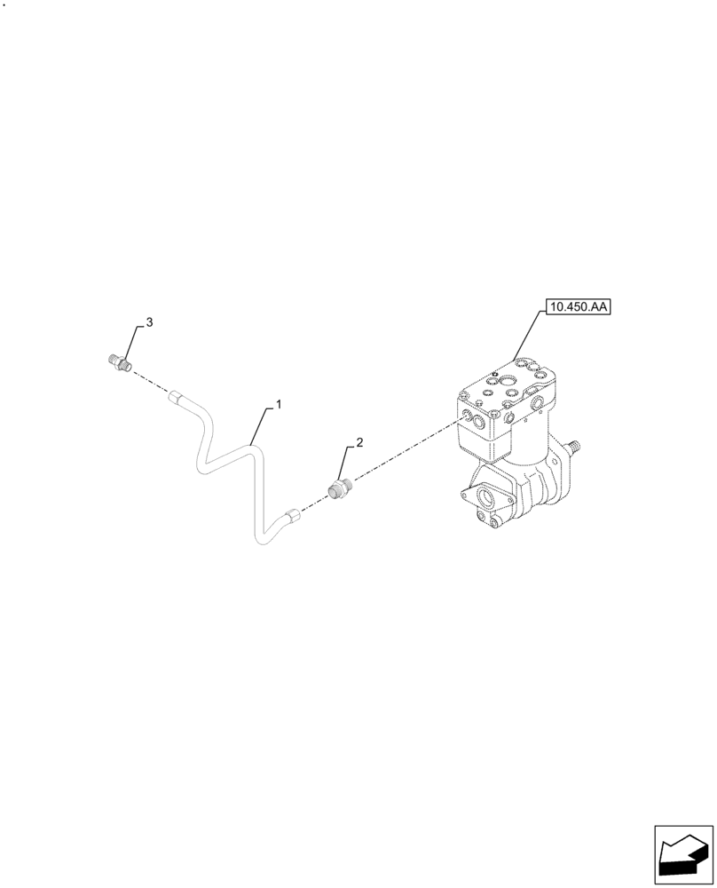
1

504073755

PIPE

1шт.

2

504081277

FITTING

1шт.

3

504081274

HYD CONNECTOR

1шт.

Выбрано товаров: 3