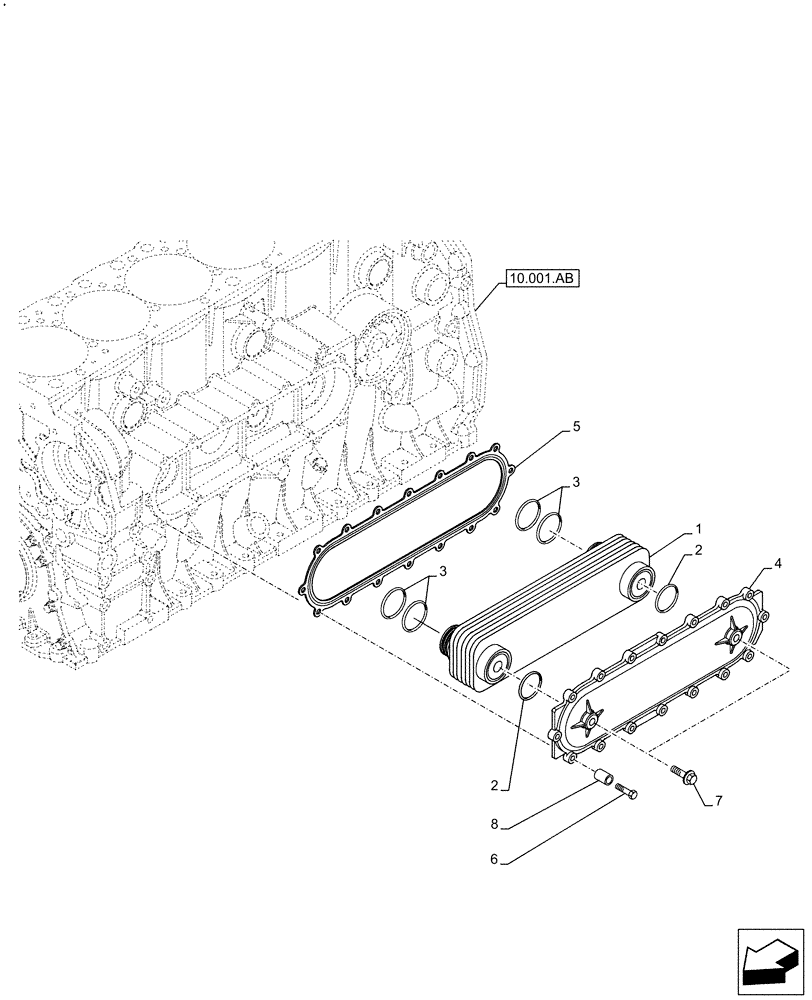
Запчасти Case IH F2CFE614G B002 (10.408.AC) - ENGINE, HEAT EXCHANGER (10) - ENGINE

Схема запчастей Case IH F2CFE614G B002 - (10.408.AC) - ENGINE, HEAT EXCHANGER (10) - ENGINE
8
2
3
1
10.001.ab
6
3
2
7
4
5
FIT
1:1
100%

Артикул

Название

Примечание

Количество

1

504127469

OIL COOLER

1шт.

2

17283481

O-RING

D=42.5 mm, SP=2.6 mm

2шт.

3

17289781

O-RING

D=47.22 mm, SP=3.55 mm

4шт.

4

504127468

COVER

1шт.

5

504128027

GASKET

1шт.

6

16674434

SCREW

M8 x 50 mm

11шт.

6

16673835

BOLT,Hex, M8 x 30mm

M8 x 30 mm

5шт.

7

2856035

SCREW,Flng, M12 x 30mm, Cl 8.8

M12 x 30 mm

2шт.

8

17816414

SPACER

D=8.5 x 18 mm, SP=20 mm

11шт.

Выбрано товаров: 9