Качественные детали и логистика
Оригинальные и аналоговые запчасти с доставкой по России, Казахстану и Беларуси
©2022 PartSell ООО "Система" ИНН 2463123282 ОГРН 1212400004838
Центральный офис: г. Красноярск, Академика Киренского, д.87, пом.4
Телефон: 8 (800) 777-65-74 Email: zakaz@partsell.ru
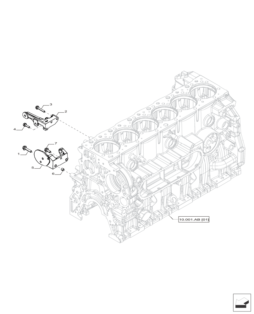
(55.301.AA) - ALTERNATOR
№
Артикул
Название
Примечание
Количество
1
16587525
BOLT,M10 x 45mm
2шт.
2
504384182
SUPPORT
1шт.
3
16586925
BOLT,M8 x 50mm
4
16673835
BOLT,Hex, M8 x 30mm
5
504354467
6
98405462
DOWEL
7
16587125
SCREW,M10
Выбрано товаров: 0