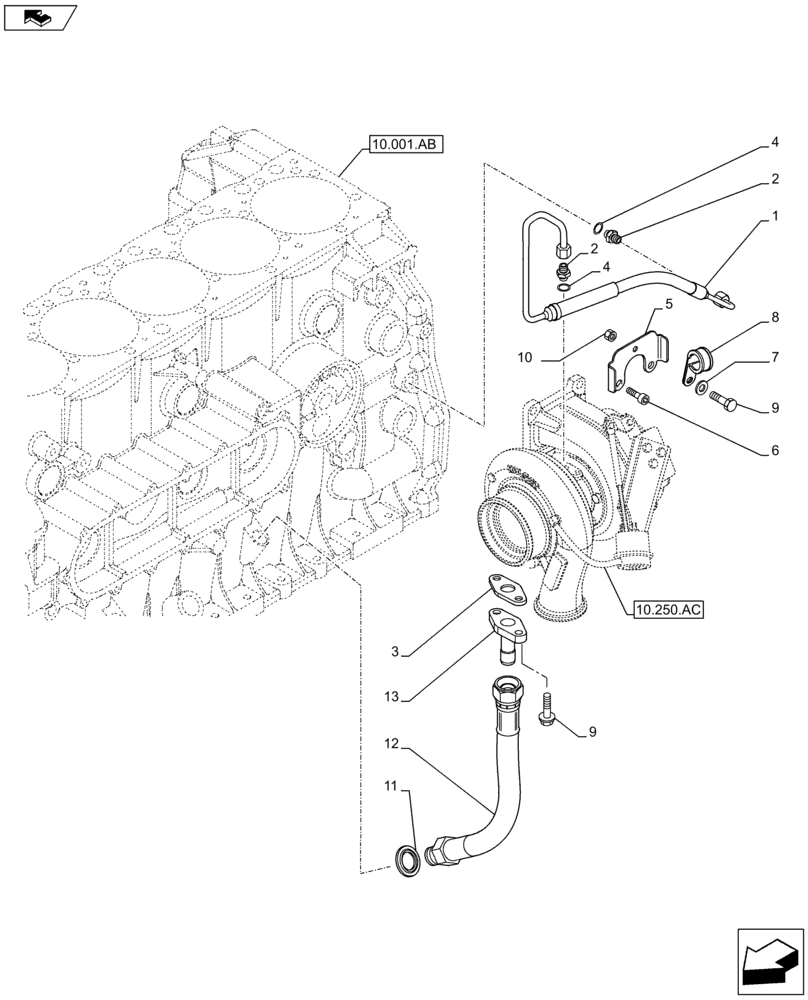
Запчасти Case IH F2CFP613A H004 (10.250.AD) - TURBOCHARGER LUBE LINE (10) - ENGINE

Схема запчастей Case IH F2CFP613A H004 - (10.250.AD) - TURBOCHARGER LUBE LINE (10) - ENGINE
2
10
6
9
5
7
13
4
9
8
10.250.ac
11
3
2
1
12
4
10.001.ab
FIT
1:1
100%

Артикул

Название

Примечание

Количество

1

5801583056

PIPE

Delivery

1шт.

2

504081274

HYD CONNECTOR

2шт.

3

5801540735

GASKET

1шт.

4

16508260

GASKET,16mm ID x 22mm OD x 1.5mm

2шт.

5

504213767

RETAINER

1шт.

6

16691424

BOLT

M8 x 65mm

2шт.

7

16666716

WASHER

1шт.

8

17316592

COLLAR

1шт.

9

16673635

BOLT,Hex, M8 x 1.25 x 20mm, Full Thd

3шт.

9

16586425

BOLT,M8 x 25mm

Return Pipe

2шт.

10

17037925

NUT,Hex, M8 x 1.25

1шт.

11

99434480

SEAL

1шт.

12

504210618

HOSE

Return

1шт.

13

5801526921

FLANGE

1шт.

Выбрано товаров: 14