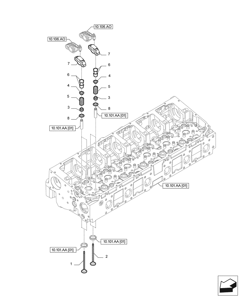
Запчасти Case IH F2CFP613C H006 (10.101.AM) - VALVE (10) - ENGINE

Схема запчастей Case IH F2CFP613C H006 - (10.101.AM) - VALVE (10) - ENGINE
10.101.aa 01
7
3
2
3
5
5
6
7
8
6
1
4
4
8
10.106.ao
10.106.ao
10.101.aa 01
10.101.aa 01
10.101.aa 01
10.101.aa 01
FIT
1:1
100%

Артикул

Название

Примечание

Количество

1

500354685

STD INLET VALVE

12шт.

2

5801506352

STD EXHAUST VALVE

12шт.

3

504129182

SPRING SEAT

24шт.

4

504127797

SPRING CUP

24шт.

5

5801439233

VALVE SPRING

24шт.

6

98499819

ROCKER ARM COTTER

48шт.

7

5801700112

BRIDGE

12шт.

8

5801520477

SEAL

24шт.

Выбрано товаров: 8