Качественные детали и логистика
Оригинальные и аналоговые запчасти с доставкой по России, Казахстану и Беларуси
©2022 PartSell ООО "Система" ИНН 2463123282 ОГРН 1212400004838
Центральный офис: г. Красноярск, Академика Киренского, д.87, пом.4
Телефон: 8 (800) 777-65-74 Email: zakaz@partsell.ru
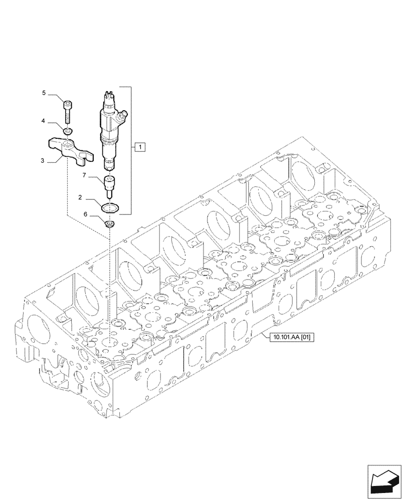
(10.218.AF) - FUEL INJECTOR
№
Артикул
Название
Примечание
Количество
1
504194432
FUEL SYSTEM INJECTOR
6шт.
2
17288881
SEALING RING
3
504127841
FASTENER
4
4700162
WASHER
5
500356756
SCREW
6
504262598
7
504215322
NOZZLE
Выбрано товаров: 0