Качественные детали и логистика
Оригинальные и аналоговые запчасти с доставкой по России, Казахстану и Беларуси
©2022 PartSell ООО "Система" ИНН 2463123282 ОГРН 1212400004838
Центральный офис: г. Красноярск, Академика Киренского, д.87, пом.4
Телефон: 8 (800) 777-65-74 Email: zakaz@partsell.ru
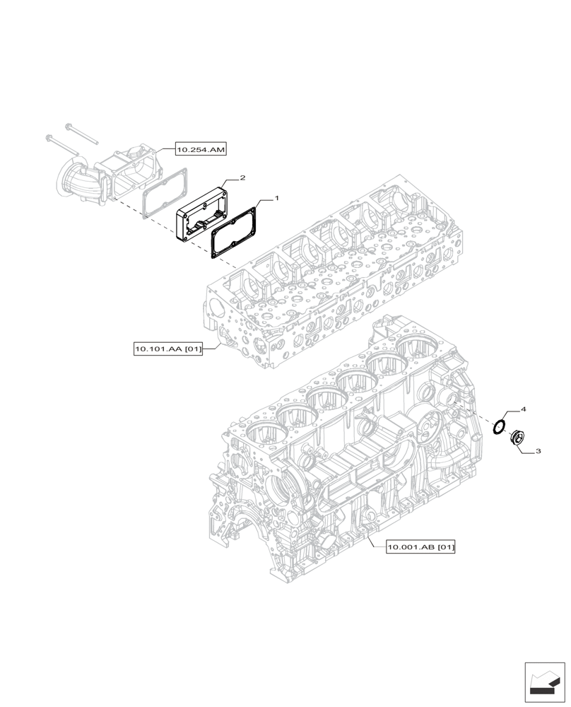
(55.202.AE[01]) - BLOCK HEATER
№
Артикул
Название
Примечание
Количество
1
504375264
GASKET,0.3mm Thk
1шт.
2
5801706292
SPACER
3
4665029
PLUG
4
99469382
SEAL
Выбрано товаров: 0