Качественные детали и логистика
Оригинальные и аналоговые запчасти с доставкой по России, Казахстану и Беларуси
©2022 PartSell ООО "Система" ИНН 2463123282 ОГРН 1212400004838
Центральный офис: г. Красноярск, Академика Киренского, д.87, пом.4
Телефон: 8 (800) 777-65-74 Email: zakaz@partsell.ru
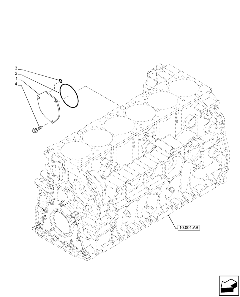
(10.450.AA) - AIR COMPRESSOR, COVER
№
Артикул
Название
Примечание
Количество
1
504150292
COVER
1шт.
2
17281381
O-RING
3
17292281
4
16587925
BOLT,Hex, M12 x 25mm
3шт.
Выбрано товаров: 0