Запчасти Case IH F2CFP614A H001 (55.015.AA) - ENGINE, ELECTRONIC CONTROL UNIT (55) - ELECTRICAL SYSTEMS

Схема запчастей Case IH F2CFP614A H001 - (55.015.AA) - ENGINE, ELECTRONIC CONTROL UNIT (55) - ELECTRICAL SYSTEMS
5
10
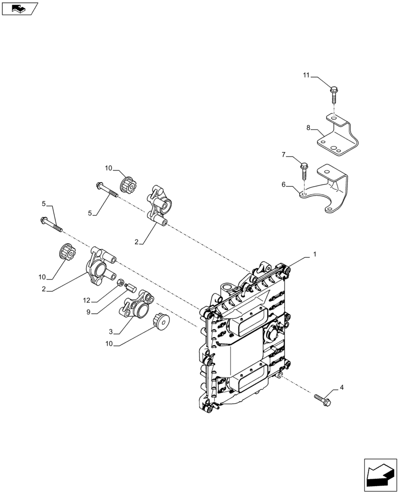
1
5
11
2
3
2
9
4
7
10
6
12
8
10
FIT
1:1
100%

Артикул

Название

Примечание

Количество

1

504388754

CONTROL UNIT

1шт.

1

504388754R

REMAN ELECT CONTROL

1шт.

1

504388754C

CORE-ELECTRONIC CONT

Return Number

1шт.

2

5801624736

SUPPORT

Support

2шт.

3

5801564789

SUPPORT

Support

1шт.

4

16586025

SCREW,Hex, M6 x 30mm

2шт.

5

17935001

SELF-TAP SCREW,Hex Flng, M5.5 x 1.8 x 45mm

4шт.

6

5801643600

RETAINER

Retainer

1шт.

7

16597225

BOLT,M6 x 18mm

M6x18mm

2шт.

8

5801662800

RETAINER

Retainer

1шт.

9

5801457718

SPACER

Spacing Bar

1шт.

9

5801457717

SPACER

Spacing Bar

2шт.

10

5801406998

SHOCK ABSORBER

Rubber Lug

6шт.

11

17933601

SCREW

3шт.

12

17044735

NUT,Hex, M8

3шт.

Выбрано товаров: 15