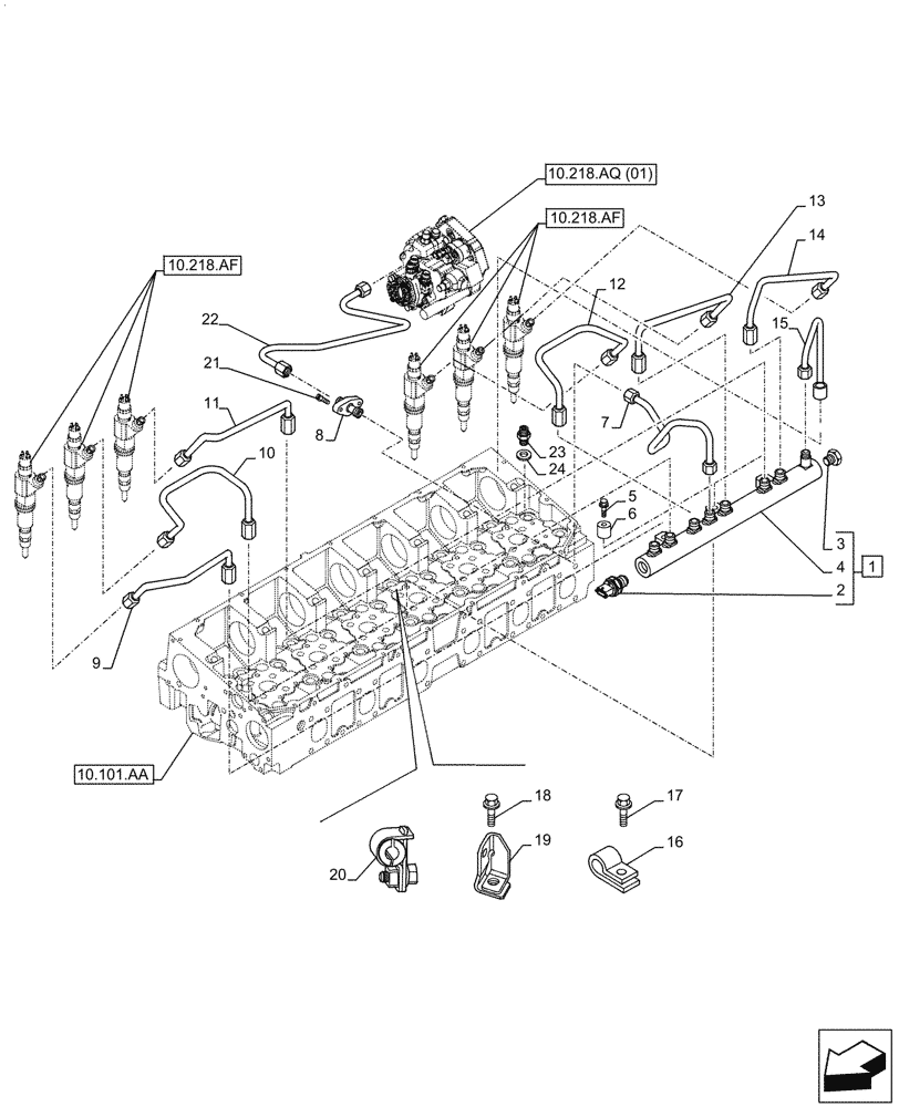
Запчасти Case IH F2CFP614C H003 (10.218.AI) - INJECTION PIPE (10) - ENGINE

Схема запчастей Case IH F2CFP614C H003 - (10.218.AI) - INJECTION PIPE (10) - ENGINE
10.101.aa
21
22
17
11
7
23
14
9
13
15
1
2
8
10
5
24
20
19
6
16
4
12
18
3
10.218.af
10.218.af
10.218.aq (01)
FIT
1:1
100%

Артикул

Название

Примечание

Количество

1

504373407

ACCUMULATOR

ASSY, Incl 2 - 4

1шт.

2

504157020

SENSOR

1шт.

3

504130662

VALVE

1шт.

4

NSS

NOT SOLD SEPARAT

Shaft. Incl in 1

1шт.

5

16586825

BOLT,Hex, M8 x 1.25 x 45mm

3шт.

6

504253853

SPACER

3шт.

7

504333692

PIPE

1шт.

8

504174173

FITTING

1шт.

9

504126981

INJECTION PIPE

1шт.

10

504126982

INJECTION PIPE

1шт.

11

504126983

INJECTION PIPE

1шт.

12

504126984

INJECTION PIPE

1шт.

13

504126985

INJECTION PIPE

1шт.

14

504126986

INJECTION PIPE

1шт.

15

504127531

RETURN PIPE

1шт.

16

504236628

BRACKET, SUPPORTING

1шт.

17

16586225

BOLT,M8 x 16mm

1шт.

18

16707034

BOLT,Flng, M8 x 16mm

1шт.

18

16674034

SCREW,M8 x 40mm

1шт.

19

504229845

BRACKET

1шт.

20

504235264

BRACKET

1шт.

21

16585870

SCREW,Hex, M6 x 20mm

2шт.

22

504305687

PIPE

1шт.

23

504154956

FITTING

1шт.

24

98474305

SEALING WASHER

10 x 17mm Dia 2,3 Thk

1шт.

Выбрано товаров: 25