Запчасти Case IH F2CFP614C H003 (10.408.AC) - ENGINE, HEAT EXCHANGER (10) - ENGINE

Схема запчастей Case IH F2CFP614C H003 - (10.408.AC) - ENGINE, HEAT EXCHANGER (10) - ENGINE
10.001.ab
2
7
2
4
8
3
5
6
1
3
FIT
1:1
100%

Артикул

Название

Примечание

Количество

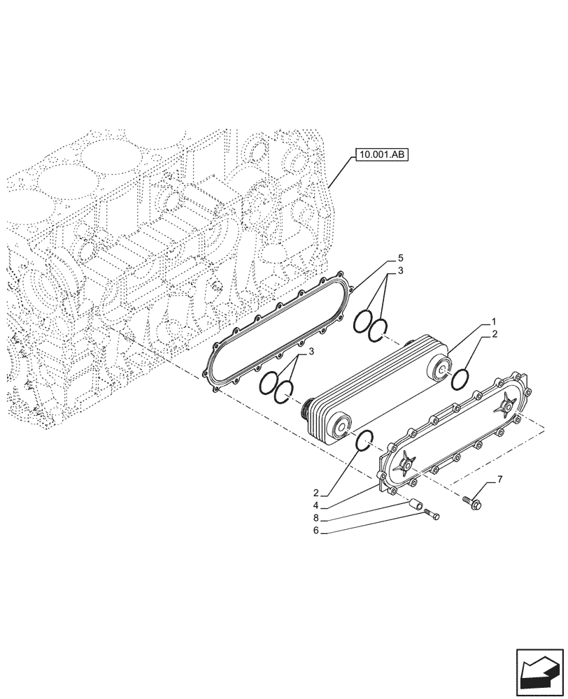
1

5801389774

OIL COOLER

1шт.

2

17283481

O-RING

2шт.

3

17289781

O-RING

4шт.

4

5801396651

COVER

1шт.

5

504128027

GASKET

1шт.

6

16674434

SCREW

16шт.

7

16588025

SCREW,M12 x 30mm

2шт.

8

17816414

SPACER

8.5 x 18mm Dia 20mm Thk

16шт.

Выбрано товаров: 8