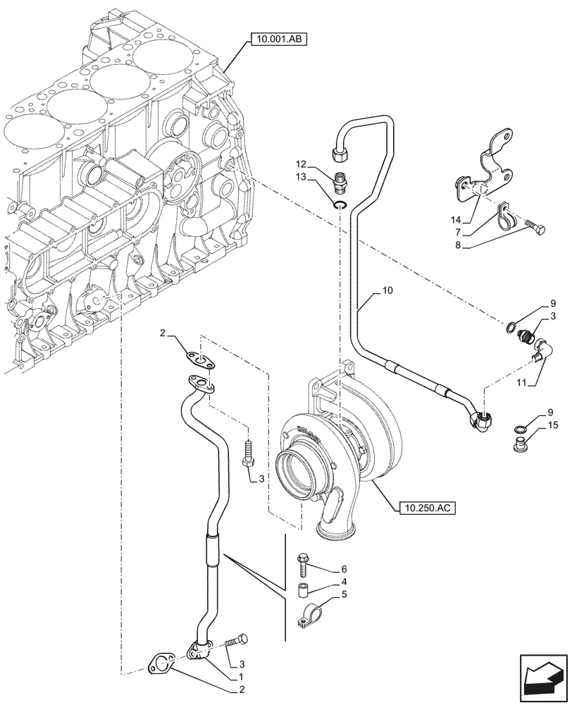
Запчасти Case IH F2CFP614E H003 (10.250.AD) - TURBOCHARGER LUBE LINE (10) - ENGINE

Схема запчастей Case IH F2CFP614E H003 - (10.250.AD) - TURBOCHARGER LUBE LINE (10) - ENGINE
10.250.ac
14
13
6
2
1
3
12
9
4
8
10
3
9
7
3
15
11
2
5
10.001.ab
FIT
1:1
100%

Артикул

Название

Примечание

Количество

1

5801860939

TUBE

1шт.

2

504360820

GASKET

2шт.

3

16673635

BOLT,Hex, M8 x 1.25 x 20mm, Full Thd

4шт.

4

17817214

SPACER

1шт.

5

17317092

COLLAR

1шт.

6

16592525

BOLT,M8 x 1.25 x 70mm

1шт.

7

17316592

COLLAR

1шт.

8

16597925

BOLT,Hex, M8 x 14mm

1шт.

9

5801560870

WASHER

2шт.

10

5801610449

TUBE

1шт.

11

16504114

ELBOW

1шт.

12

504081274

HYD CONNECTOR

2шт.

13

16508260

GASKET,16mm ID x 22mm OD x 1.5mm

1шт.

14

5801544778

FASTENER

1шт.

15

16992415

PLUG,M16 x 1.5

1шт.

Выбрано товаров: 15