Запчасти Case IH F2CFP614E H003 (10.254.AC) - EXHAUST MANIFOLD (10) - ENGINE

Схема запчастей Case IH F2CFP614E H003 - (10.254.AC) - EXHAUST MANIFOLD (10) - ENGINE
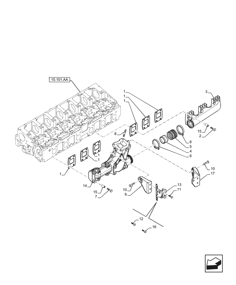
10.101.aa
9
2
4
10
15
13
6
5
1
12
1
3
15
1
8
1
6
11
1
16
14
17
10
1
7
FIT
1:1
100%

Артикул

Название

Примечание

Количество

1

504154202

GASKET

6шт.

2

504078465

FLANGE BOLT,M10 x 1.5 x 70mm

12шт.

3

504289341

EXHAUST MANIFOLD

1шт.

4

99440117

BELLOWS

1шт.

5

99440118

RING

1шт.

6

504047548

CLAMP

2шт.

7

5801589510

BOLT

12шт.

8

5801491235

STUD

2шт.

9

5801608229

RETAINER

1шт.

10

5801642116

BOLT

2шт.

11

16596925

BOLT,M6 x 12mm

2шт.

11

18137825

BOLT,Hex, M6 x 16mm

2шт.

12

16673635

BOLT,Hex, M8 x 1.25 x 20mm, Full Thd

5шт.

13

5801868498

HEAT SHIELD

1шт.

14

5801540832

EXHAUST MANIFOLD

1шт.

15

5801484382

SPACER

22шт.

16

16597425

BOLT,Hex, M10 x 16mm, Cl 8.8

1шт.

16

16597925

BOLT,Hex, M8 x 14mm

1шт.

17

5801608231

RETAINER

1шт.

Выбрано товаров: 19