Качественные детали и логистика
Оригинальные и аналоговые запчасти с доставкой по России, Казахстану и Беларуси
©2022 PartSell ООО "Система" ИНН 2463123282 ОГРН 1212400004838
Центральный офис: г. Красноярск, Академика Киренского, д.87, пом.4
Телефон: 8 (800) 777-65-74 Email: zakaz@partsell.ru
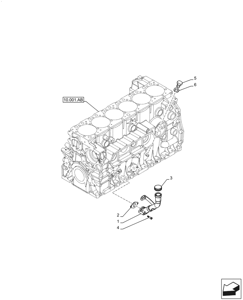
(10.304.AJ) - OIL FILLER
№
Артикул
Название
Примечание
Количество
1
5801375472
NECK FILLER
1шт.
2
504314384
GASKET
3
98429552
CAP
4
16673735
BOLT,Hex, M8 x 1.25 x 25mm
2шт.
5
16992415
PLUG,M16 x 1.5
6
99489019
SEALING WASHER
Выбрано товаров: 0