Качественные детали и логистика
Оригинальные и аналоговые запчасти с доставкой по России, Казахстану и Беларуси
©2022 PartSell ООО "Система" ИНН 2463123282 ОГРН 1212400004838
Центральный офис: г. Красноярск, Академика Киренского, д.87, пом.4
Телефон: 8 (800) 777-65-74 Email: zakaz@partsell.ru
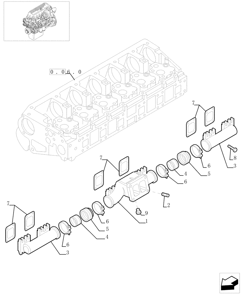
(0.07.8[01]) - EXHAUST MANIFOLD (500335634)
№
Артикул
Название
Примечание
Количество
1
504039012
EXHAUST MANIFOLD
1шт.
2
16731370
STUD
M10 x 30
2шт.
3
99434992
4
99440118
RING
5
2859383
LOCKING RING
6
500305815
CLAMP
4шт.
7
99440116
GASKET
6шт.
8
99443210
SCREW,M10 x 1.5 x 40
24шт.
9
99441940
PLUG
M12X1.5
Выбрано товаров: 0