Качественные детали и логистика
Оригинальные и аналоговые запчасти с доставкой по России, Казахстану и Беларуси
©2022 PartSell ООО "Система" ИНН 2463123282 ОГРН 1212400004838
Центральный офис: г. Красноярск, Академика Киренского, д.87, пом.4
Телефон: 8 (800) 777-65-74 Email: zakaz@partsell.ru
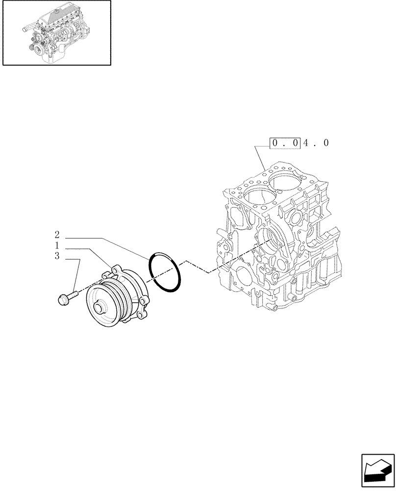
(0.32.0[01]) - WATER PUMP & RELATED PARTS (500364473)
№
Артикул
Название
Примечание
Количество
1
500356553
WATER PUMP
1шт.
2
4897111
O-RING,0.139" Thk x 4.719" ID
3
2852234
FLANGE BOLT,Hex, M8 x 1.25 x 20mm
4шт.
Выбрано товаров: 0