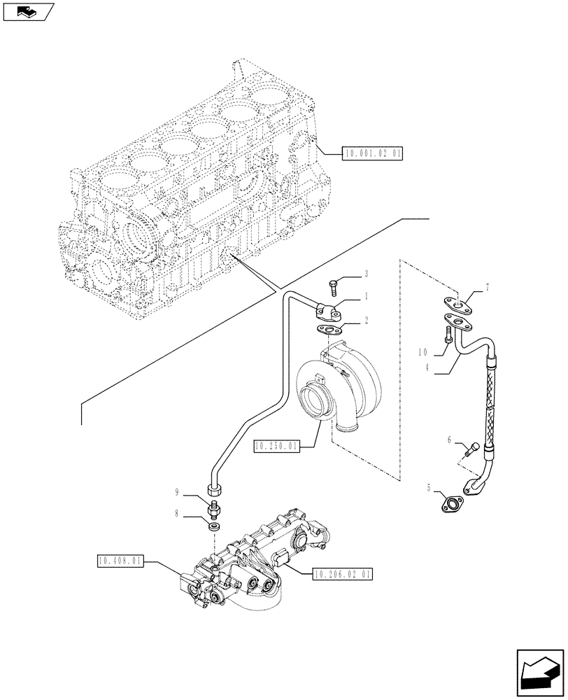
Запчасти Case IH F3AE0684K E910 (10.250.02) - TURBOBLOWER PIPES - MY11 8120 (10) - ENGINE

Схема запчастей Case IH F3AE0684K E910 - (10.250.02) - TURBOBLOWER PIPES - MY11 8120 (10) - ENGINE
home
6
2
10.408.01
1
10.206.02 01
10.250.01
4
8
9
10.001.02 01
5
3
7
10
FIT
1:1
100%

Артикул

Название

Примечание

Количество

1

504215040

SUCTION PIPE

1шт.

2

5801417018

GASKET

1шт.

3

16586625

BOLT,M8 x 35mm

M8 x 35

2шт.

4

504102835

RIGID TUBE

1шт.

5

99475979

GASKET

1шт.

6

16673635

BOLT,Hex, M8 x 1.25 x 20mm, Full Thd

M8 x 1.25 x 20

2шт.

7

98412509

GASKET,0.8mm Thk

1шт.

8

99489019

SEALING WASHER

1шт.

9

504081274

HYD CONNECTOR

1шт.

10

16673735

BOLT,Hex, M8 x 1.25 x 25mm

M8 x 25

2шт.

Выбрано товаров: 10