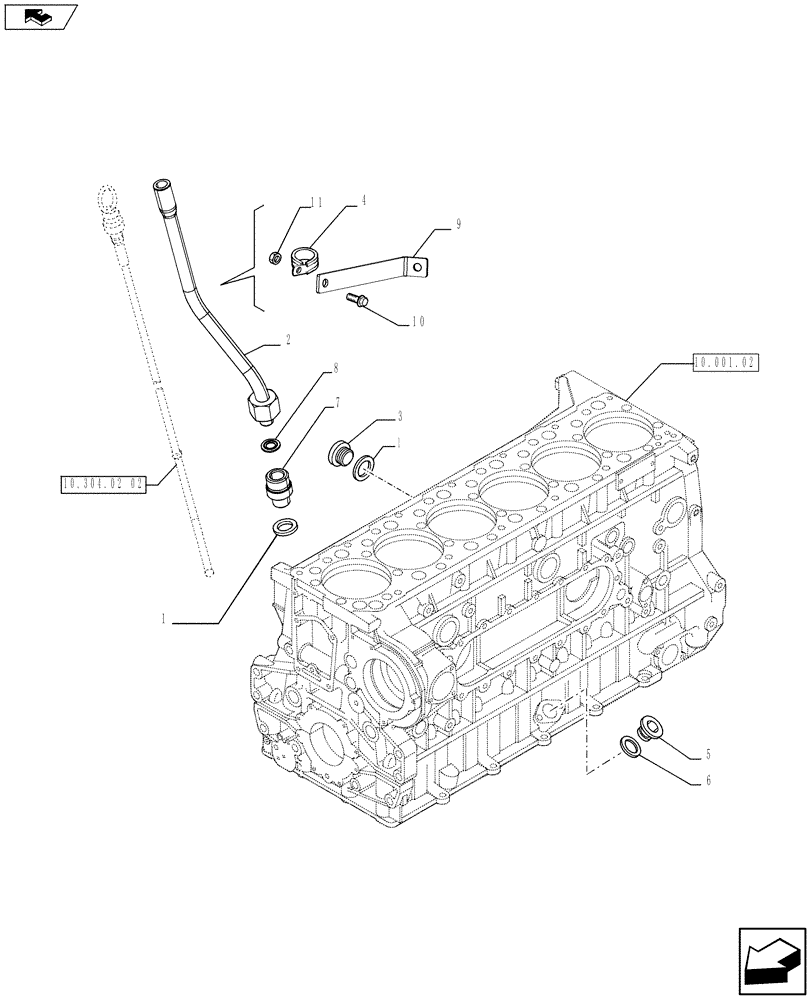
Запчасти Case IH F3AE0684K E910 (10.304.02 01) - OIL LEVEL CHECK - MY11 8120 (10) - ENGINE

Схема запчастей Case IH F3AE0684K E910 - (10.304.02 01) - OIL LEVEL CHECK - MY11 8120 (10) - ENGINE
10.304.02 02
3
10
6
5
9
10.001.02
4
11
home
1
8
1
7
2
FIT
1:1
100%

Артикул

Название

Примечание

Количество

1

5167640

SEALING WASHER,14.09mm ID x 26.45mm OD x 1.5mm Thk

3шт.

2

504012076

RIGID TUBE

1шт.

2

504117963

TUBE

IN ALTERNATIVE

1шт.

3

16992515

PLUG

M18 x 1.5

2шт.

4

17316799

SPARE PART

1шт.

5

11903211

PLUG,M12 x 1.25 x 12, Cl5.8

M12X1.5

1шт.

6

99489017

GASKET,9.9mm ID x 20mm OD x 2.5mm Thk

1шт.

7

504023175

HYD CONNECTOR

1шт.

8

98474302

1шт.

9

504066745

BRACKET

1шт.

10

16586225

BOLT,M8 x 16mm

2шт.

11

2852389

FLANGE NUT

1шт.

Выбрано товаров: 12