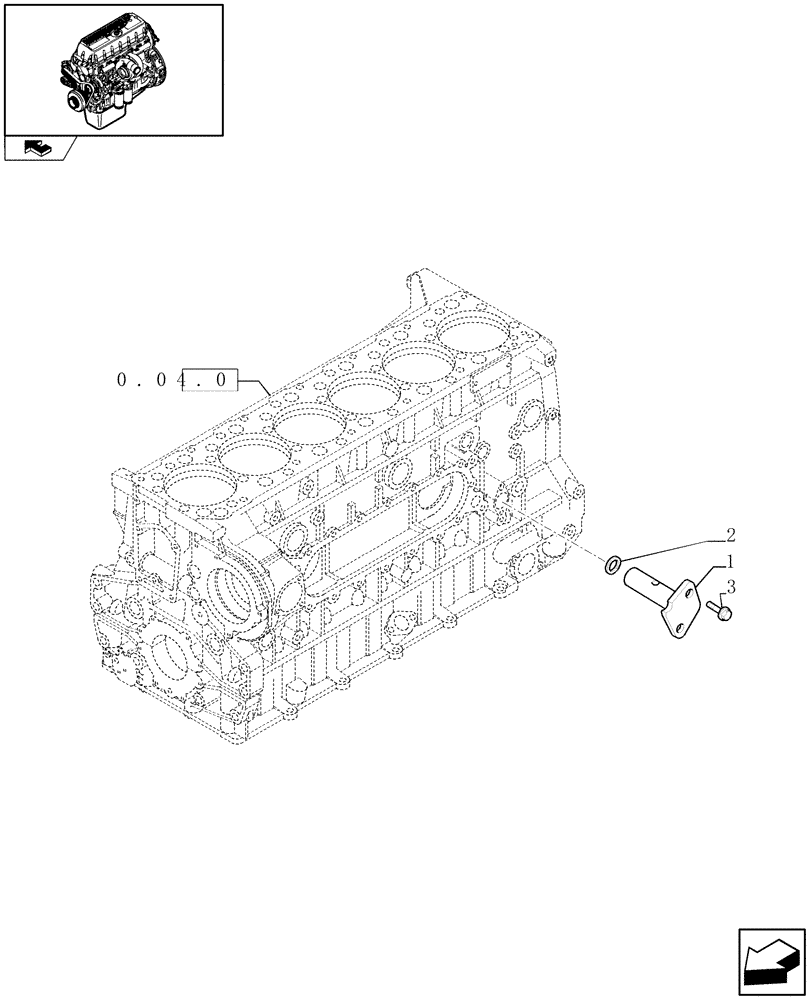
Запчасти Case IH F3AE0684N E907 (0.30.3) - OIL PRESSURE REGULATION VALVE (99459425)

Схема запчастей Case IH F3AE0684N E907 - (0.30.3) - OIL PRESSURE REGULATION VALVE (99459425)
0.04.0
3
2
1
home
FIT
1:1
100%

Артикул

Название

Примечание

Количество

1

500378929

VALVE

1шт.

2

14463481

O-RING,1.109" ID x 0.139" Width

M28.17 x 3.53

1шт.

3

2854600

SCREW

M8 x 1.25 x 20

2шт.

Выбрано товаров: 3