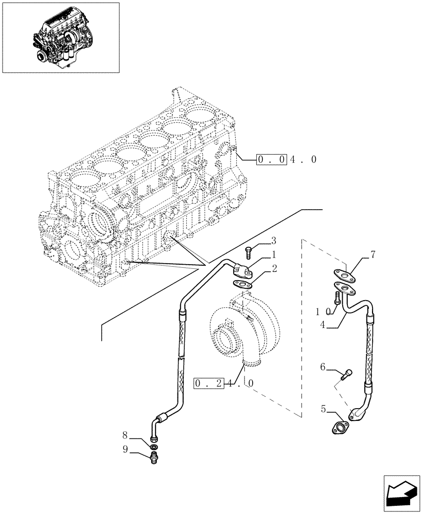
Запчасти Case IH F3AE0684P E906 (0.30.63[01]) - TURBOBLOWER PIPES (504066907 - 504053494)

Схема запчастей Case IH F3AE0684P E906 - (0.30.63[01]) - TURBOBLOWER PIPES (504066907 - 504053494)
4
9
8
2
5
6
3
1
0.24.0
7
0.04.0
10
FIT
1:1
100%

Артикул

Название

Примечание

Количество

1

504066924

SUCTION PIPE

1шт.

2

61318303

GASKET

1шт.

3

16586625

BOLT,M8 x 35mm

M8 x 35

2шт.

4

504102835

RIGID TUBE

1шт.

5

99475979

GASKET

1шт.

6

2854600

SCREW

M8 x 1.25 x 20

2шт.

7

98412509

GASKET,0.8mm Thk

1шт.

8

41031569

FITTING

1шт.

9

99489019

SEALING WASHER

1шт.

10

16586425

BOLT,M8 x 25mm

M8 x 25

2шт.

Выбрано товаров: 10