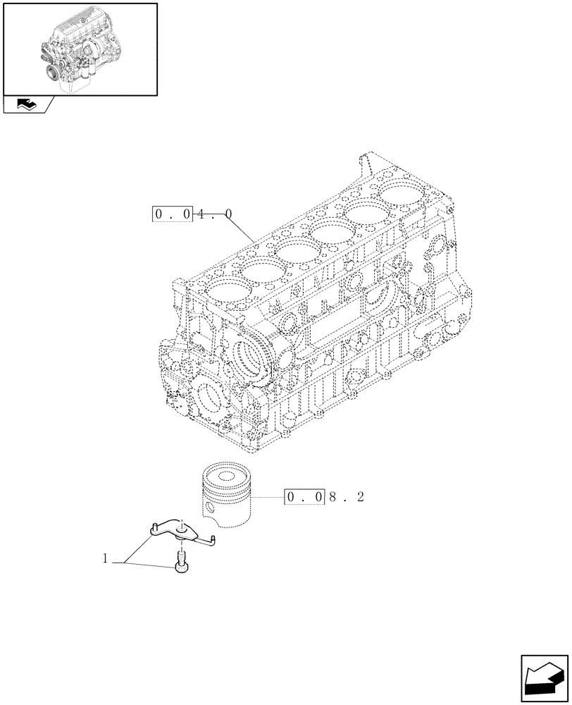
Запчасти Case IH F3AE0684P E909 (0.04.14) - CYLINDER BARREL LUBRICATION NOZZLE (99483075)

Схема запчастей Case IH F3AE0684P E909 - (0.04.14) - CYLINDER BARREL LUBRICATION NOZZLE (99483075)
home
0.04.0
0.08.2
1
FIT
1:1
100%

Артикул

Название

Примечание

Количество

1

504199599

LUBE OIL NOZZLE

LUBE OIL JET NOZZLE

6шт.

Выбрано товаров: 1